Technical informations
Technical drawing
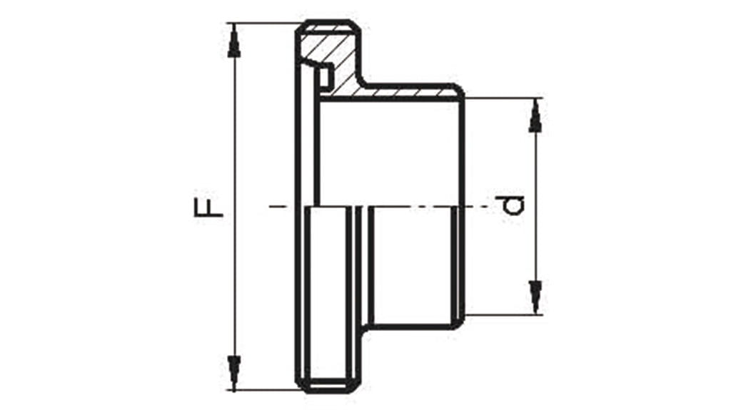
| DN | F | d |
|---|---|---|
|
10 |
28 x 1/8" |
10 |
| 15 | 34 x 1/8"
|
16 |
| 20 | 44 x 1/8" | 20 |
| 25 | 52 x 1/6" | 26 |
| 32 | 58 x1/6" | 32 |
| 40 | 65 x 1/6" | 38 |
| 50 | 78 x 1/6" | 50 |
| 65 | 95 x 1/6" | 66 |
| 80 | 110 x 1/4" | 81 |
| 100 | 130 x 1/4" | 100 |
| 125 | 160 x 1/4" | 125 |
| 150 | 190 x 1/4" | 150 |
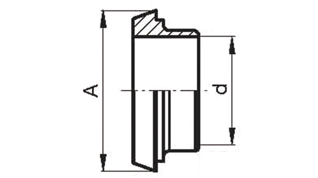
| A | d |
|---|---|
|
20 |
10 |
| 28 | 16 |
| 36 | 20 |
| 44 | 26 |
| 50 | 32 |
| 56 | 38 |
| 68 | 50 |
| 86 | 66 |
| 100 | 81 |
| 121 | 100 |
| 150 | 125 |
| 176 | 150 |
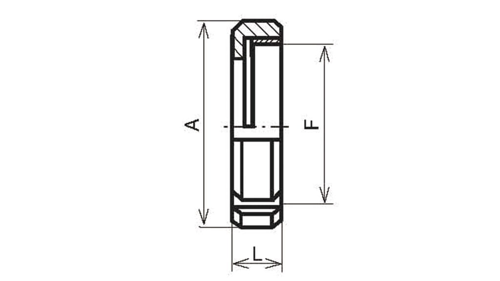
| F | A | L |
|---|---|---|
| 28 x 1/8" | 38 |
18 |
| 34 x 1/8" | 44 | 18 |
| 44 x 1/6" | 54 | 21 |
| 52 x 1/6" | 63 | 21 |
| 58 x 1/6" | 70 | 21 |
| 65 x 1/6" | 78 | 21 |
| 78 x 1/6" | 92 | 22 |
| 95 x 1/6" | 112 | 25 |
| 110 x 1/4" | 127 | 30 |
| 130 x 1/4" | 148 | 31 |
| 160 x 1/4" | 178 | 35 |
| 190 x 1/4" | 210 | 40 |
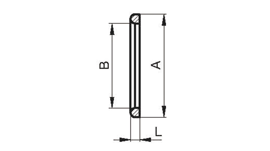
| A | B | L |
|---|---|---|
|
20 |
12 |
4.5 |
| 26 | 18 | 4.5 |
| 33 | 23 | 4.5 |
| 40 | 30 | 5 |
| 46 | 36 | 5 |
| 52 | 42 | 5 |
| 64 | 54 | 5 |
| 81 | 71 | 5 |
| 95 | 85 | 5 |
| 114 | 104 | 6 |
| 142 | 130 | 7 |
| 167 | 155 | 7 |







