Product Description
Axle Tower Spring
Each component is manufactured using high strength steel and heavy-duty plates to give superior impact and wear characteristics, resist negative loading, and provide safe anchor points. There is also a built in fail-safe device to prevent total mount failure in the case of severe overload - also manufactured from the highest-grade steel to provide high tensile strength without compromising embrittlement.
Trelleborg IAVS suspension springs are designed to provide a maintenance free flexible load bearing component, allowing angular and shear movement whilst supporting high axial loads. The latest FE analysis technology has been applied to ensure maximum reliability and minimum stress points whilst maintaining an uncomplicated design to minimize manufacturing costs.
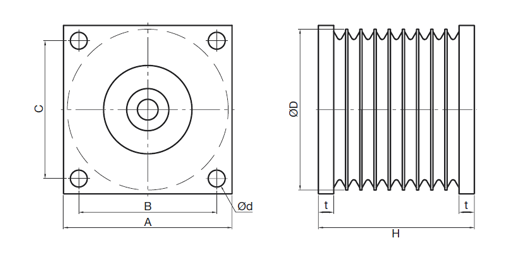
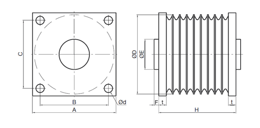
| Part number | Dimensions in mm |
Fail Safe system |
Max load kN |
|||||||||
|---|---|---|---|---|---|---|---|---|---|---|---|---|
| A | B | C | D | d | E | F | H | t | ||||
| 10-01640-01 | 190 | 150 | 160 | 180 | 17 | 180 | 15 | Bolt | 150 | |||
| 10-01641-01 | 190 | 150 | 160 | 180 | 17 | 182 | 15 | Bolt | 150 | |||
| 10-01677-01 | 220 | 180 | 180 | 210 | 22 | 203 | 20 | Bolt | 400 | |||
| 10-03501-01 | 170 | 140 | 140 | 165 | 14 | 55 | 18 | 150 | 9,5 | Chain | 55 | |
| 10-03132-01 | 190 | 150 | 160 | 184 | 16,5 | 185 | 10 | N/A | 70 | |||
| 10-00951-01 | 190 | 150 | 160 | 184 | 16,5 | 80 | 25 | 185 | 10 | Chain | 70 | |



