Description du produit
Ressort de tour d'essieu
Chaque composant est fabriqué à partir d'acier à haute résistance et de plaques robustes afin d'offrir des caractéristiques supérieures en matière de résistance aux chocs et à l'usure, de résister aux charges négatives et de fournir des points d'ancrage sûrs. Un dispositif de sécurité intégré empêche également toute défaillance totale du support en cas de surcharge importante. Il est également fabriqué à partir d'acier de la plus haute qualité afin d'offrir une résistance à la traction élevée sans compromettre la fragilité.
Les ressorts de suspension Trelleborg IAVS sont conçus pour offrir un composant flexible et sans entretien, capable de supporter des charges angulaires et de cisaillement tout en supportant des charges axiales élevées. La dernière technologie d'analyse FE a été appliquée pour garantir une fiabilité maximale et des points de contrainte minimaux, tout en conservant une conception simple afin de réduire les coûts de fabrication.
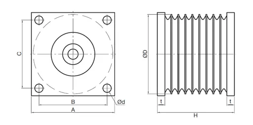
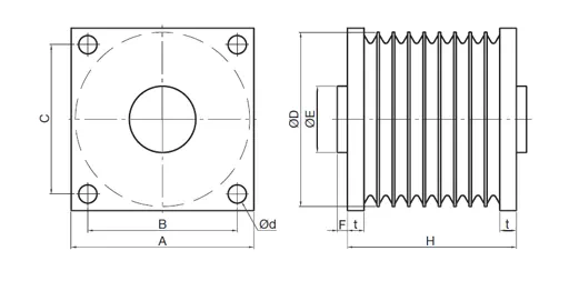
| Numéro de pièce | Dimensions en mm |
Fail Safe système |
CHARGE MAXI kN |
|||||||||
|---|---|---|---|---|---|---|---|---|---|---|---|---|
| A | B | C | D | d | E | F | H | t | ||||
| 10-01640-01 | 190 | 150 | 160 | 180 | 17 | 180 | 15 | Bolt | 150 | |||
| 10-01641-01 | 190 | 150 | 160 | 180 | 17 | 182 | 15 | Bolt | 150 | |||
| 10-01677-01 | 220 | 180 | 180 | 210 | 22 | 203 | 20 | Bolt | 400 | |||
| 10-03501-01 | 170 | 140 | 140 | 165 | 14 | 55 | 18 | 150 | 9,5 | Chain | 55 | |
| 10-03132-01 | 190 | 150 | 160 | 184 | 16,5 | 185 | 10 | N/A | 70 | |||
| 10-00951-01 | 190 | 150 | 160 | 184 | 16,5 | 80 | 25 | 185 | 10 | Chain | 70 | |



