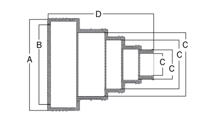
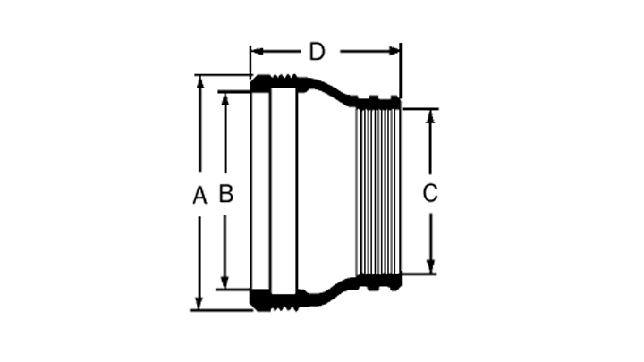
Sizing Chart
| P/N |
Pipe O.D. Range (inches) |
Hole Size Range (inches) | Connector Dimensions (inches) | Pipe Clamp P/N |
||
| A | B | C | D | |||
|
S106-7MWS S106-7MT |
1.5 - 1.8 1.9 - 2.4 3.2 - 3.8 3.8- 4.8 |
6.995-7.055 | 6.125 | 1.6 2.3 3.6 4.8 |
7.8 | I-80 |
|
S106-7WS S106-7T |
3.5 - 4.5 | 6.995-7.055 | 6.125 | 4.5 | 6 | I-80 |
|
S106-8WS S106-8T |
5.1 - 5.9 | 7.995-8.055 | 7.125 | 5.5 | 8 | I-128 |
| S106-8SRWS S106-8SRT |
4.2 - 4.8 6.2 - 6.4 |
7.995-8.055 | 7.125 | 4.3 6.4 |
7.5 | I-128 |
| S106-8MWP-EX | 1.5 - 1.8 1.9 - 2.4 3.2 - 3.8 3.8 - 4.8 |
7.995-8.055 | 6.83 | 1.6 2.3 3.6 4.8 |
9.19 | I-80 |
| S106-12MWP-EX S106-12MWS S106-12MT |
3.5 - 4.8 6.2 - 6.9 |
12.04 - 12.20 12.00 -12.20 12.04 - 12.13 |
10.125 | 4.5 6.5 |
8 | I-128 |
Connector Installation Instructions
Pipe Installation

Installation instructions
- To size the connector for the desired pipe O.D. Using a knife, carefully remove the un-needed section of the connector by cutting within the appropriate groove
- Be sure sealing area of pipe is smooth and free of defects. Repair if needed
- Center pipe in Connector opening. (Pipe must not rest on Connector Korband)
- Position the Pipe Clamp in the Connector’s Pipe Clamp groove with the screw at the top.
- Tighten the Pipe Clamp screw to 60 inch pounds with a T-handle Torque Wrench, P/N 80090










