Product Description
Conventional circular and rectangular bearer springs are designed to support the vehicle body in their compression mode whilst allowing horizontal, lateral and rotational bogie movements by virtue of the more flexible shear mode. Waisted bearer springs offer optimized performance within limited space envelopes, particularly where large horizontal displacements require to be accommodated. Metalastik® Bearer Springs provide a bearing medium between rail vehicle bodies and bogies and are operating worldwide in various suspension applications including locomotives, passenger and freight vehicles.
Waisted Bearer Spring
| Product No | 17-1665 |
17-1762 | |
|---|---|---|---|
|
Vertical Load Pz |
(kN) |
120 |
160 |
| Vertical Deflection dz |
(mm) |
4 | 12.5 |
| Longitudinal Deflection dx |
(mm) |
110 | 140 |
| Dimension X | (mm) |
387 | 395 |
| Dimension Y |
(mm) |
220 | 368 |
| Dimension Z |
(mm) |
215 | 268 |
| Unit Mass | (kg) |
37.3 | 49 |
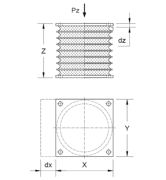
Circular Bearer Springs
| Product No | 17-1139 |
17-1526 | 17-1374 | 17-1326 | |
|---|---|---|---|---|---|
|
Vertical Load Pz |
(kN) |
54 |
100 |
100 |
180 |
| Vertical Deflection |
(mm) |
11 | 14 | 15 | 17 |
| Vertical Stiffness (initial) |
(kN/mm) |
4.7 | 6.3 | 6.1 | 9.5 |
| Horizontal Deflection dx |
(mm) |
56 | 71 | 76 | 85 |
| Pz x dx |
(max) |
1350 | 2700 | 2700 | 7600 |
| Dimension X | (mm) |
170 | 190 | 280 | 292 |
| Dimension Y |
(mm) |
170 | 190 | 195 | 292 |
| Dimension Z |
(mm) |
150 | 180 | 220 | 213 |
| Unit Mass | (kg) |
9 | 13.5 | 28 | 33 |
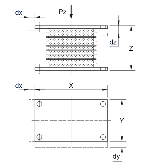
Rectangular Bearer Springs 70 - 108 mmShear Deflection
| Product No | 17-2079 |
17-1279 | 17-1172 | 17-1260 | |
|---|---|---|---|---|---|
|
Vertical Load Pz |
(kN) |
126 | 95 | 300 | 41 |
| Vertical Deflection dz |
(mm) |
14 | 17 | 16 | 27 |
| Vertical Stiffness (initial) |
(kN/mm) |
8 | 5 | 17 | 1.4 |
| Longitudinal Deflection dx |
(mm) |
70 | 83 | 83 | 108 |
| Lateral Deflection dy | (mm) | 45 | 52 | 50 | 81 |
| Pz x dx |
(max) |
7670 | 3940 | 12400 | 2160 |
| Pz x dy | (max) | 4900 | 2440 | 7900 | 1600 |
| Pz (dx + dy) | (max) |
6670 | 3940 | 11800 | 2160 |
| Dimension X | (mm) |
360 | 432 | 432 | 330 |
| Dimension Y |
(mm) |
220 | 241 | 241 | 191 |
| Dimension Z |
(mm) |
182 | 218 | 216 | 299 |
| Unit Mass | (kg) |
23 | 42 | 49 | 35 |
Rectangular Bearer Springs 55 - 69 mm Shear Deflection
| Product No | 17-1633 |
17-1761 | 17-1341 | 17-2113 | 17-1853 | 17-2079 | 17-1279 | 17-1172 | 17-1260 | |
|---|---|---|---|---|---|---|---|---|---|---|
|
Vertical Load Pz |
(kN) |
275 | 240 | 350 | 73 | 90 | 126 | 95 | 300 | 41 |
| Vertical Deflection |
(mm) |
11 | 12 | 14 | 13 | 14 | 14 | 17 | 16 | 27 |
| Vertical Stiffness (initial) |
(kN/mm) |
25 | 20 | 25 | 6 | 6 | 8 | 5 | 17 | 1,4 |
| Longitudinal Deflection dx |
(mm) |
54 | 61 | 65 | 66 | 69 | 70 | 83 | 83 | 108 |
| Lateral Deflection dy | (mm) | 42 | 50 | 46 | 48 | 56 | 45 | 52 | 50 | 81 |
| Pz x dx |
(max) |
7340 | 7320 | 11400 | 2400 | 3100 | 7670 | 3940 | 12400 | 2160 |
| Pz x dy | (max) | 4810 | 6000 | 7000 | 1600 | 2700 | 4900 | 2440 | 7900 | 1600 |
| Pz (dx + dy) | (max) |
6360 | 6930 | 9560 | 2040 | 3020 | 6670 | 3940 | 11800 | 2160 |
| Dimension X | (mm) |
246 | 306 | 349 | 351 | 230 | 360 | 432 | 432 | 330 |
| Dimension Y |
(mm) |
216 | 211 | 210 | 217 | 192 | 220 | 241 | 241 | 191 |
| Dimension Z |
(mm) |
162 | 188 | 178 | 164 | 180 | 182 | 218 | 216 | 299 |
| Unit Mass | (kg) |
23.2 | 31.8 | 31.1 | 26 | 21 | 23 | 42 | 49 | 35 |

Product Datasheet
Find out more about Trelleborg's Bearer Spring solutions



