Product Description
Vee-Keillager mountings have ideal stiffness characteristics for rail vehicle engine suspensions. The vertical stiffness rate ensures that when the mounting is properly loaded, the vertical's natural frequency doesn't coincide with the body's bending frequency. The high longitudinal stiffness controls shunting shock motion. The mounting is usually connected to the solebars via that base casting, and a buffer is attached to the Vee section casting to limit tensile loads.
This high load capacity mounting has a relatively large rubber volume providing a high degree of vibration and noise isolation, making it ideally suited for suspending engines installed in public service and goods vehicles.
|
|
|
|
AXIAL |
RADIAL STIFFNESS (N/mm) |
||
|
DRAWING NO. |
PART NO. |
HARDNESS (IRHD) |
MAX. LOAD (kN) |
STIFFNESS (N/mm) |
X |
Y |
|
INTERLEAVED |
||||||
|
11-1082/1 |
10-00201 |
35 |
0.9 |
148 |
407 |
29.6 |
|
10-00203 |
60 |
2.6 |
440 |
1210 |
88 |
|
|
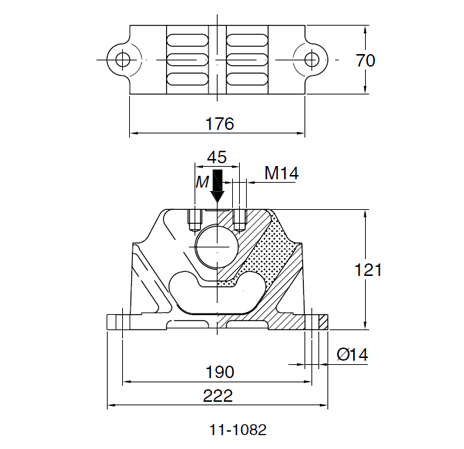
11-1082 |
10-00849 |
40 |
1.15 |
172 |
473 |
34.4 |
|
10-00205 |
55 |
2.1 |
316 |
869 |
63.2 |
|
|
10-00804 |
60 |
2.6 |
440 |
1210 |
88 |
|
|
10-00206 |
65 |
3.15 |
538 |
1479.5 |
107.6 |
|
|
033 18 730 |
49025346 |
40 NR 39 |
1.75 |
350 |
700 |
100 |
|
49025347 |
50 NR 39 |
2.92 |
580 |
1400 |
200 |
|
|
49025348 |
60 NR 39 |
4 |
800 |
2400 |
330 |
|
|
033 18 700 |
511470 |
42 NR 39 |
2.2 |
440 |
1700 |
500 |
|
2129315 |
50 NR 39 |
3.4 |
680 |
2600 |
770 |
|
|
2129317 |
60 NR 39 |
5.3 |
1060 |
4000 |
1200 |
|
| 033 18 720 |
49025343 |
40 NR 39 |
4.5 |
900 |
3200 |
185 |
|
49025344 |
50 NR 39 |
6 |
1200 |
4800 |
280 |
|
|
49025345 |
60 NR 39 |
10 |
2000 |
8000 |
465 |
|
|
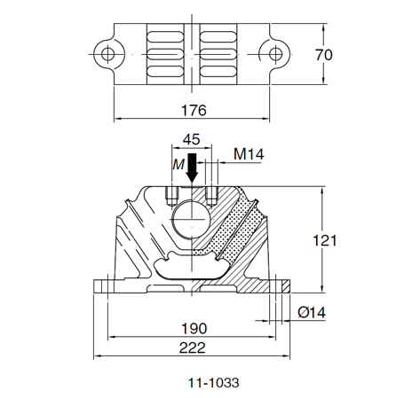
11-1033 |
10-00196 |
50 |
4.7 |
850 |
2337.5 |
170 |
|
10-00843 |
55 |
5.9 |
1030 |
2832.5 |
206 |
|
|
10-00197 |
60 |
7.1 |
1200 |
3300 |
240 |
|
|
10-03793 |
65 |
9 |
1450 |
3987.5 |
290 |
|
|
10-01026 |
70 |
10.9 |
1800 |
4950 |
360 |
|
|
033 18 701 |
2129378 |
45 NR 39 |
5.8 |
1160 |
4500 |
1300 |
|
2129321 |
50 NR 39 |
8.9 |
1780 |
6900 |
2000 |
|
|
2129323 |
60 NR 39 |
14 |
2800 |
10800 |
3200 |
|



