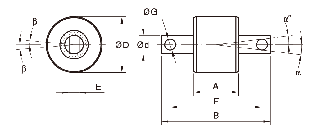
Product Description
A heavy duty flexible bearing which combines high load capacity with the ability to accommodate torsional and angular movements in all planes without lubrication and metal to metal wear. It is available with center bore or solid member depending on fixing requirements.
General guidance notes for selection:
- Properties quoted for the components in this document relate to continuous steading loading or deformation conditions.
- For continuous dynamic cyclic loading or deformation, the maximum values should be reduced to approximately 30% of the figures quoted, depending on frequency.
For medium and low incidence loading and deformation, the tabled values may be increased up to 2 to 3 times.
Combined stressing in the different modes and the effects of stress reversals may require a more critical assessment.
Typical applications include:
- Traction and braking reaction rods
- Hydraulic damper fixings
| DRAWING NO. | PART NO. | DIMENSIONS (mm) | RADIAL | TORSION | CONICAL | |||||||||||
| Housing | Ød |
Tolerance
for Ød |
A | B | E | F | G |
STIFFNESS
(kN/mm) |
MAX. LOAD (kN) |
STIFFNESS
(Nm/deg) |
±β
(degrees) |
STIFFNESS
(Nm/deg) |
±α
(degrees) |
|||
| ØD |
Tolerance
for ØD |
|||||||||||||||
| SPHERICAL MOUNT – CENTRE BORE | ||||||||||||||||
| 054 18 036 | 90721 | 45 | +0.07/+0.086 | 16 | -0/+0.043 | 35 | 42 | - | - | - | 22 | 12 | 6 | 4 | 4 | 4 |
| 054 18 068 | 92525 | 65 | +0.041/+0.087 | 16 | -0/+0.027 | 32 | 60 | - | - | - | 23 | 18 | 6 | 9 | 6 | 5 |
| 13-1316 | 10-00257 | 66.7 | -0.04/+0 | 25.4 | -0/+0.08 | 47.6 | 54 | - | - | - | 70 | 34 | 16 | 8 | 16 | 6 |
| 054 18 191 | 93644 | 75 | +0.043/+0.089 | 20 | -0/+0.033 | 46 | 50 | - | - | - | 34 | 20 | 24 | 4 | 20 | 4 |
| 054 18 070 | 92041 | 90 | +0.051/+0.105 | 30 | -0/+0.033 | 45 | 76 | - | - | - | 85 | 45 | 47 | 3 | 40 | 3 |
| 13-2106-1 | 10-00291 | 90.5 | -0.03/+0.01 | 28.6 | -0.02/+0.12 | 70 | 76.2 | - | - | - | 100 | 58 | 49 | 8 | 49 | 6 |
| 13-1006 | 10-00237 | 90.5 | -0.03/+0.02 | 28.6 | -0.03/+0.05 | 70 | 76.2 | - | - | - | 93 | 58 | 49 | 8 | 49 | 6 |
| 054 18 163 | 93418 | 100 | +0.051/+0.105 | 53 | -0/+0.03 | 46.5 | 50 | - | - | - | 44 | 27 | 88 | 3 | 56 | 3 |
| 93643 | 50 | 34 | 107 | 68 | ||||||||||||
| 13-1285 | 10-00255 | 104.8 | -0.04/+0 | 38.1 | -0/+0.08 | 76.2 | 82.6 | - | - | - | 155 | 98 | 63 | 8 | 62 | 7 |
| 054 18 122 | 2118217 | 110 | +0.054/+0.089 | 40 | -0/+0.039 | 76 | 78 | - | - | - | 71 | 64 | 75 | 3 | 57 | 3 |
| 13-1180 | 10-01099 | 127 | -0.02/+0.04 | 44.5 | -0/+0.08 | 101.6 | 104.8 | - | - | - | 87 | 93 | 119 | 7 | 108 | 7 |
| 13-4007 | 10-00273 | 127 | -0.02/+0.04 | 50.1 | -0.1/+0.04 | 101.6 | 104.8 | - | - | - | 260 | 220 | 262 | 6 | 227 | 5 |
| 13-2624 | 10-03344 | 127 | -0.02/+0.04 | 31 | -0/+0.5 | 101.6 | 120 | - | - | - | 87 | 93 | 119 | 7 | 108 | 7 |
| 054 18 756 | 509887 | 130 | +0.027/+0.067 | 60 | -0/+0.03 | 87 | 98 | - | - | - | 336 | 100 | 182 | 3 | 243 | 3 |
| 054 18 740 | 2124226 | 140 | +0.122/+0.185 | 60 | -0/+0.46 | 90 | 100 | - | - | - | 170 | 80 | 478 | 3 | 308 | 6 |
| 13-1990 | 10-03251 | 150 | -0.02/+0.07 | 60 | -0/+0.1 | 120 | 133.8 | - | - | - | 240 | 250 | 300 | 7 | 280 | 6 |
| 13-2623 | 10-03723 | 150 | -0.02/+0.07 | 37 | -0/+0.25 | 120 | 140 | - | - | - | 150 | 205 | 155 | 8 | 125 | 8 |
| 054 18 204 | 596836 | 172 | -0.15/+0.21 | 80 | -0/+0.03 | 120 | 138 | - | - | - | 120 | 170 | 445 | 3 | 295 | 3 |
| SPHERICAL MOUNT – TRUNNION | ||||||||||||||||
| 13-4089-00 | 10-01608 | 45 | -0.01/+0.05 | 30 | -- | 36 | 105 | 12 | 75 | 13 | 55 | 7 | 6 | 8 | 6 | 8 |
| 13-2202-1 | 10-00302 | 66.7 | -0/+0.1 | 35 | -- | 47.6 | 120 | 20 | 90 | 13 | 70 | 34 | 12 | 8 | 16 | 6 |
| 054 18 711 | 462023 | 66.67 | +0.032/+0.062 | 40 | -0.25/+0.25 | 47.6 | 135 | 16 | 96 | 18 | 56 | 50 | 34 | 3 | 24 | 3 |
| 054 18 710 | 465259 | 66.67 | +0.032/+0.062 | 40 | -0.25/+0.25 | 47.6 | 135 | 16 | 96 | 18 | 35 | 25 | 23 | 3 | 9 | 3 |
| 054 18 732 | 479059 | 66.67 | +0.032/+0.062 | 40 | -0.25/+0.25 | 47.6 | 160 | 18 | 120 | 18 | 76 | 25 | 27 | 3 | 20 | 3 |
| 13-2033 | 10-00283 | 84 | -0/+0.05 | 40 | -- | 65 | 155 | 20 | 120 | 17 | 150 | 75 | 49 | 6 | 49 | 6 |
| 054 18 202 | 90205 | 90 | +0.124/+0.178 | 50 | -0.052/+0 | 65 | 170 | 30 | 130 | 22 | 85 | 46 | 62 | 3 | 43 | 3 |
| 13-2192-1 | 10-00878 | 90.5 | -0.03/+0.01 | 48 | -- | 71.4 | 170 | 30 | 130 | 21 | 90 | 58 | 49 | 8 | 49 | 6 |
| 13-2400 | 10-03615 | 104.8 | -0.04/+0 | 50.5 | -- | 76.2 | 195 | 30 | 152 | 23 | 220 | 150 | 75 | 8 | 71 | 7 |
| 13-2607-1 | 10-02168 | 104.8 | -0.04/+0 | 50.5 | -- | 76.2 | 195 | 30 | 152 | 25 | 220 | 150 | 75 | 8 | 71 | 7 |
| 13-2223 | 10-00304 | 104.8 | -0.04/+0 | 50.5 | -- | 76.2 | 170 | 30 | 130 | 19 | 220 | 150 | 79 | 8 | 131 | 6 |
| 13-2568 | 10-02512 | 104.8 | -0.04/+0 | 50.5 | -- | 76.2 | 170 | 30 | 130 | 21 | 220 | 150 | 79 | 8 | 131 | 7 |
| 054 18 190 | 92834 | 110 | +0.144/+0.198 | 54 | -0.2/+0.2 | 80 | 200 | 32 | 150 | 26 | 43 | 50 | 66 | 10 | 71 | 10 |
| 054 18 702 | 500742 | 120 | +0.144/+0.198 | 60 | -- | 90 | 220 | 40 | 170 | 28 | 120 | 82 | 150 | 10 | 110 | 10 |
| 13-4011 | 10-04047 | 127 | -0.02/+0.04 | 51.5 | -- | 101.6 | 232 | 30 | 190 | 26 | 190 | 220 | 150 | 8 | 125 | 7 |
| 054 18 735 | 2123524 | 140 | +0.17/+0.233 | 60 | -- | 100 | 240 | 36 | 190 | 25 | 14 | 40 | 52 | 7 | 34 | 7 |

Industrial Products Catalogue
Download the full anti-vibration industrial product portfolio.


