Product Description
Instrument mounts are utilized for vibration insulation of electronic components, measuring devices and precise mechanical apparatuses and for instrument panels or control panels in industrial applications. A common requirement of these mounts is that they keep vibrations or shock load introduced via the anchorages away from the instrument or device. The mounts help to protect sensitive instruments from external shock loads in mobile and non-mobile use.
Typical applications:
- Small fan sets
- Transformers
- Sensitive equipment
Product Range

Instrument Mount
Product Data
| DRAWING NO. | PART NO. | HARDNESS (IRHD) | AXIAL | RADIAL (X) | ||
|
STIFFNESS
(N/mm) |
MAX. LOAD (N) |
STIFFNESS
(N/mm) |
MAX. LOAD (N) | |||
| 17-1801 | 10-00583 | 45 | 11 | 27 | 34 | 81 |
| 10-00584 | 60 | 21 | 54 | 67 | 162 | |
| 17-4573 | 10-04819 | 45 | 95 | 750 | - | - |
| 10-04820 | 60 | 190 | 1500 | - | - | |
| DRAWING NO. | PART NO. | HARDNESS (IRHD) | AXIAL | RADIAL | ||||||||||||||||||||||||||||||||||
|
STIFFNESS
(N/mm) |
MAX. LOAD (N) |
STIFFNESS
(N/mm) |
MAX. LOAD (N) | |||||||||||||||||||||||||||||||||||
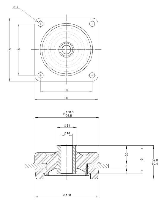
| PLATE FIXED INSTRUMENT MOUNT | ||||||||||||||||||||||||||||||||||||||
| 039 18 022 | 93657 | 40 | 215 | 120 | 250 | 150 | ||||||||||||||||||||||||||||||||
| 039 18 023 | 93658 | 40 | 40 | 80 | 24 | 70 | ||||||||||||||||||||||||||||||||
| 93659 | 50 | 65 | 120 | 40 | 100 | |||||||||||||||||||||||||||||||||
| 93660 | 65 | 130 | 260 | 70 | 200 | |||||||||||||||||||||||||||||||||
| GROMMET STYLE INSTRUMENT MOUNT | ||||||||||||||||||||||||||||||||||||||
| 039 18 751 | 49039880 | 40 | 40 | 80 | 20 | 45 | ||||||||||||||||||||||||||||||||
| 49039881 | 50 | 65 | 130 | 40 | 75 | |||||||||||||||||||||||||||||||||
| 49039902 | 65 | 130 | 260 | 70 | 130 | |||||||||||||||||||||||||||||||||
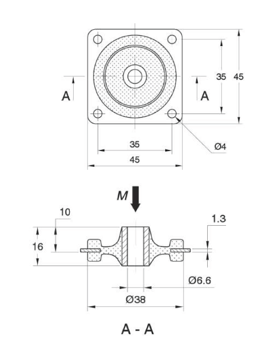
Technical Drawing

Flanged Instrumounting
Product Data
| DRAWING No. | PART No. | TYPE | MAX LOAD (kg) |
| 17-1801 | 10-00583 | 45 °IRHD | 2.7 |
| 10-00584 | 60 °IRHD | 5.4 | |
| 17-4573 | 10-04819 | 45 °IRHD | 75 |
| 10-04820 | 60 °IRHD | 150 |

Industrial Products Catalogue
Download the full anti-vibration industrial product portfolio.


