Product Description
La construction robuste du cushymount est conçue pour supporter des forces de choc élevées, incorporant un tampon intégré pour limiter le déplacement vertical et horizontal de l'équipement suspendu, sans avoir besoin de dispositifs de limitation externes. Les taux de rigidité dissemblables dans les deux modes horizontaux optimisent le système de suspension afin d'éviter les résonances avec les principaux ordres du moteur, tout en assurant un haut degré d'isolation des vibrations lors du fonctionnement avec des vitesses de rotation aussi faibles que 500 tr/min. Les supports sont homologués par le Lloyd's Register of Shipping et peuvent être disponibles avec une fonction de réglage de la hauteur pour des circonstances particulières.
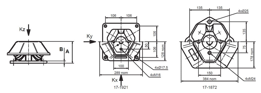
Haute capacité de charge Cushymount K
| Product number |
A |
B |
Weight (kg) |
Nominal Rubber Hardness |
Maximum Load Capacity |
Nominal Deflection at Max load (mm) |
| 17-1872 | 195 | 20 | 50 | 45 | 35 | 14 |
| 55 | 55 | 14 | ||||
| 65 | 80 | 14 |
Capacité de charge moyenne Cushymount K
| Product number |
A |
B |
Weight (kg) |
Nominal Rubber Hardness |
Maximum Load Capacity |
Nominal Deflection at Max load (mm) |
| 17-1921 | 144 | 12 | 32 | 45 | 20 | 10 |
| 55 | 38 | 10 | ||||
| 65 | 50 | 10 |

