Product Description
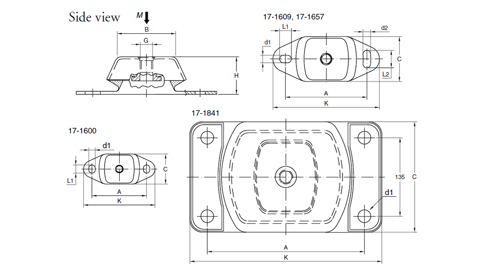
The Cushyfloat mounting is a general purpose unit designed to provide effective isolation of vibration and noise arising from both static and mobile equipment. Originally designed for use with marine engines, the Cushyfloat is a simple to install, compact, low profile mounting. It combines 3 way control of the suspended equipment with relatively large static deflections where the rubber is loaded in shear and compression.
The design incorporates bump and rebounds control features which limit excessive movement under shock loading. Top metal gives protection against oil contamination and the protective finish resists corrosion attack. The propeller thrust on marine applications is accommodated. There are four sizes in the standard range with varying degrees of rubber hardness catering for point loads from 32Kg to 3000kg. Natural frequencies as low as 8Hz are possible.
| DRAWING NO. | PART NO. | HARDNESS (IRHD) | DIMENSIONS (mm) | MAX. LOAD (N) |
MAX.
THRUST LOAD (N) |
VERTICAL STIFFNESS
(N/mm) |
MAX.
BOLT TORQUE (Nm) |
|||||||||||||
| B | C | A | K | H | d1 | L1 | d2 | L2 | Ød | VERTICAL | *VERTICAL WITH THRUST | |||||||||
| 17-1600-1 | 10-00535 | 45 | 62 | 60 | 100 | 120 | 38-40.5 | 11 | 14 | 11 | 14 | M12 | 500 | 350 | 370 | 90 | 25 | |||
| 10-00536 | 55 | 650 | 550 | 560 | 135 | |||||||||||||||
| 10-00537 | 65 | 1000 | 800 | 830 | 202 | |||||||||||||||
| 10-04525 | 75 | 1450 | 1150 | 1200 | 290 | |||||||||||||||
| 17-1609-1 | 10-00545 | 45 | 76 | 75 | 140 | 183 | 49 | 13 | 20 | 13 | 30 | M16 | 1500 | 950 | 1000 | 220 | 50 | |||
| 10-00546 | 55 | 2100 | 1400 | 1500 | 330 | |||||||||||||||
| 10-00547 | 65 | 3000 | 2100 | 2300 | 495 | |||||||||||||||
| 10-00548 | 75 | 4500 | 3150 | 3300 | 883 | |||||||||||||||
| 17-1657-1 | 10-00557 | 45 | 72 | 112.5 | 182 | 228 | 70 | 18 | 26 | 18 | 34 | M20 | 3000 | 2500 | 2800 | 550 | 100 | |||
| 10-00558 | 55 | 5200 | 3700 | 4200 | 725 | |||||||||||||||
| 10-00559 | 65 | 8000 | 5600 | 6400 | 1075 | |||||||||||||||
| 10-00560 | 75 | 10000 | 7000 | 11800 | 1637 | |||||||||||||||
| 17-1841-2 | 10-00605 | 40 | 120 | 190 | 270 | 330 | 112 | 22 | - | - | - | M24 | 9500 | 6300 | 5300 | 1040 | 200 | |||
| 10-00606 | 50 | 14000 | 9450 | 7100 | 1390 | |||||||||||||||
| 10-00607 | 60 | 22000 | 15750 | 12500 | 2450 | |||||||||||||||
| 10-00608 | 70 | 30000 | 21000 | 18000 | 3500 | |||||||||||||||
| DRAWING NO. | VERTICAL | LATERAL | LONGITUDINAL | |||||||||
| 17-16 0 0 -1 | 1 | 0 , 75 | 2 , 5 | |||||||||
| 17-16 0 9 -1 | 1 | 0 , 7 | 2 , 7 | |||||||||
| 17- 16 57- 1 | 1 | 0 , 85 | 2 , 6 | |||||||||
| 17- 18 41- 2 | 1 | 0 , 6 | 2 , 3 | |||||||||
Catalogues

Download the Datasheet
Find out more about Trelleborg's Cushyfloat Solutions

