Description du produit
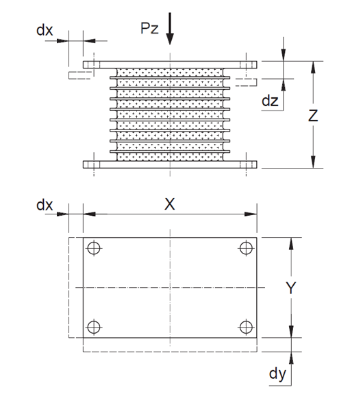
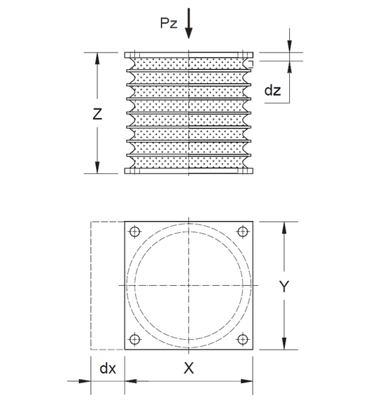
Les ressorts porteurs circulaires et rectangulaires conventionnels sont conçus pour supporter la carrosserie du véhicule dans leur mode de compression tout en permettant les mouvements horizontaux, latéraux et rotatifs du bogie grâce au mode de cisaillement plus flexible. Les ressorts de berceau cintrés offrent des performances optimales dans des espaces limités, en particulier lorsqu'il s'agit de supporter des déplacements horizontaux importants. Les ressorts de berceau Metalastik® constituent un support entre les caisses et les bogies des véhicules ferroviaires et sont utilisés dans le monde entier dans diverses applications de suspension, notamment pour les locomotives, les véhicules de passagers et les véhicules de fret.
Porteurs à la taille Printemps
| Produit No | 17-1665 |
17-1762 | |
|---|---|---|---|
|
Charge verticale Pz |
(kN) |
120 |
160 |
| Déflexion verticale dz |
(mm) |
4 | 12.5 |
| Flèche longitudinale dx |
(mm) |
110 | 140 |
| Dimension X | (mm) |
387 | 395 |
| Dimension Y |
(mm) |
220 | 368 |
| Dimension Z |
(mm) |
215 | 268 |
| Unité Masse | (kg) |
37.3 | 49 |
Ressorts circulaires pour porteurs
| Produit No | 17-1139 |
17-1526 | 17-1374 | 17-1326 | |
|---|---|---|---|---|---|
|
Charge verticale Pz |
(kN) |
54 |
100 |
100 |
180 |
| Déflexion verticale |
(mm) |
11 | 14 | 15 | 17 |
| Rigidité verticale (initiale) |
(kN/mm) |
4.7 | 6.3 | 6.1 | 9.5 |
| Déflexion horizontale dx |
(mm) |
56 | 71 | 76 | 85 |
| Pz x dx |
(max) |
1350 | 2700 | 2700 | 7600 |
| Dimension X | (mm) |
170 | 190 | 280 | 292 |
| Dimension Y |
(mm) |
170 | 190 | 195 | 292 |
| Dimension Z |
(mm) |
150 | 180 | 220 | 213 |
| Unité Masse | (kg) |
9 | 13.5 | 28 | 33 |
Ressorts à billes rectangulaires 70 - 108 mm Flexion en cisaillement
| Produit No | 17-2079 |
17-1279 | 17-1172 | 17-1260 | |
|---|---|---|---|---|---|
|
Charge verticale Pz |
(kN) |
126 | 95 | 300 | 41 |
| Déflexion verticale dz |
(mm) |
14 | 17 | 16 | 27 |
| Rigidité verticale (initiale) |
(kN/mm) |
8 | 5 | 17 | 1.4 |
| Flèche longitudinale dx |
(mm) |
70 | 83 | 83 | 108 |
| Déflexion latérale dy | (mm) | 45 | 52 | 50 | 81 |
| Pz x dx |
(max) |
7670 | 3940 | 12400 | 2160 |
| Pz x dy | (max) | 4900 | 2440 | 7900 | 1600 |
| Pz (dx + dy) | (max) |
6670 | 3940 | 11800 | 2160 |
| Dimension X | (mm) |
360 | 432 | 432 | 330 |
| Dimension Y |
(mm) |
220 | 241 | 241 | 191 |
| Dimension Z |
(mm) |
182 | 218 | 216 | 299 |
| Unité Masse | (kg) |
23 | 42 | 49 | 35 |
Ressorts porteurs rectangulaires 55 - 69 mm Déflexion en cisaillement
| Produit No | 17-1633 |
17-1761 | 17-1341 | 17-2113 | 17-1853 | 17-2079 | 17-1279 | 17-1172 | 17-1260 | |
|---|---|---|---|---|---|---|---|---|---|---|
|
Charge verticale Pz |
(kN) |
275 | 240 | 350 | 73 | 90 | 126 | 95 | 300 | 41 |
| Déflexion verticale |
(mm) |
11 | 12 | 14 | 13 | 14 | 14 | 17 | 16 | 27 |
| Rigidité verticale (initiale) |
(kN/mm) |
25 | 20 | 25 | 6 | 6 | 8 | 5 | 17 | 1,4 |
| Flèche longitudinale dx |
(mm) |
54 | 61 | 65 | 66 | 69 | 70 | 83 | 83 | 108 |
| Déflexion latérale dy | (mm) | 42 | 50 | 46 | 48 | 56 | 45 | 52 | 50 | 81 |
| Pz x dx |
(max) |
7340 | 7320 | 11400 | 2400 | 3100 | 7670 | 3940 | 12400 | 2160 |
| Pz x dy | (max) | 4810 | 6000 | 7000 | 1600 | 2700 | 4900 | 2440 | 7900 | 1600 |
| Pz (dx + dy) | (max) |
6360 | 6930 | 9560 | 2040 | 3020 | 6670 | 3940 | 11800 | 2160 |
| Dimension X | (mm) |
246 | 306 | 349 | 351 | 230 | 360 | 432 | 432 | 330 |
| Dimension Y |
(mm) |
216 | 211 | 210 | 217 | 192 | 220 | 241 | 241 | 191 |
| Dimension Z |
(mm) |
162 | 188 | 178 | 164 | 180 | 182 | 218 | 216 | 299 |
| Unité Masse | (kg) |
23.2 | 31.8 | 31.1 | 26 | 21 | 23 | 42 | 49 | 35 |

Fiche technique du produit
Découvrez les solutions de ressorts porteurs de Trelleborg



