Description du produit
Les supports Vee-Keillager présentent des caractéristiques de rigidité idéales pour les suspensions de moteurs de véhicules ferroviaires. Le taux de rigidité verticale garantit que, lorsque le support est correctement chargé, la fréquence naturelle de la verticale ne coïncide pas avec la fréquence de flexion de la caisse. La rigidité longitudinale élevée permet de contrôler le mouvement des chocs de manœuvre. La fixation est généralement reliée aux semelles par l'intermédiaire de la pièce moulée de base, et un tampon est fixé à la pièce moulée de la section Vee pour limiter les charges de traction.
Ce support à capacité de charge élevée a un volume de caoutchouc relativement important qui assure un haut degré d'isolation vibratoire et sonore, ce qui le rend idéal pour suspendre les moteurs installés dans les véhicules de service public et les véhicules de transport de marchandises.
|
|
|
|
AXIAL |
Résistance radiale (N/mm) |
||
|
DESSIN N°. |
N° DE PIÈCE |
DURETÉ (IRHD) |
CHARGE MAXIMALE (kN) |
ÉTABLISSEMENT (N/mm) |
X |
Y |
|
Entrelacé |
||||||
|
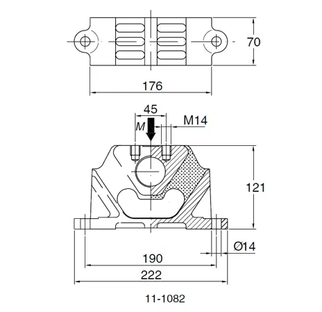
11-1082/1 |
10-00201 |
35 |
0.9 |
148 |
407 |
29.6 |
|
10-00203 |
60 |
2.6 |
440 |
1210 |
88 |
|
|
11-1082 |
10-00849 |
40 |
1.15 |
172 |
473 |
34.4 |
|
10-00205 |
55 |
2.1 |
316 |
869 |
63.2 |
|
|
10-00804 |
60 |
2.6 |
440 |
1210 |
88 |
|
|
10-00206 |
65 |
3.15 |
538 |
1479.5 |
107.6 |
|
|
033 18 730 |
49025346 |
40 NR 39 |
1.75 |
350 |
700 |
100 |
|
49025347 |
50 NR 39 |
2.92 |
580 |
1400 |
200 |
|
|
49025348 |
60 NR 39 |
4 |
800 |
2400 |
330 |
|
|
033 18 700 |
511470 |
42 NR 39 |
2.2 |
440 |
1700 |
500 |
|
2129315 |
50 NR 39 |
3.4 |
680 |
2600 |
770 |
|
|
2129317 |
60 NR 39 |
5.3 |
1060 |
4000 |
1200 |
|
| 033 18 720 |
49025343 |
40 NR 39 |
4.5 |
900 |
3200 |
185 |
|
49025344 |
50 NR 39 |
6 |
1200 |
4800 |
280 |
|
|
49025345 |
60 NR 39 |
10 |
2000 |
8000 |
465 |
|
|
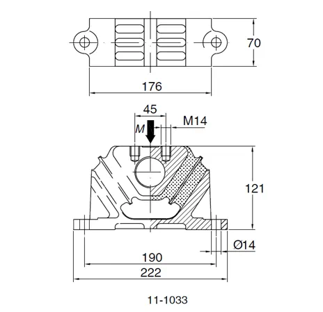
11-1033 |
10-00196 |
50 |
4.7 |
850 |
2337.5 |
170 |
|
10-00843 |
55 |
5.9 |
1030 |
2832.5 |
206 |
|
|
10-00197 |
60 |
7.1 |
1200 |
3300 |
240 |
|
|
10-03793 |
65 |
9 |
1450 |
3987.5 |
290 |
|
|
10-01026 |
70 |
10.9 |
1800 |
4950 |
360 |
|
|
033 18 701 |
2129378 |
45 NR 39 |
5.8 |
1160 |
4500 |
1300 |
|
2129321 |
50 NR 39 |
8.9 |
1780 |
6900 |
2000 |
|
|
2129323 |
60 NR 39 |
14 |
2800 |
10800 |
3200 |
|



