Description du produit
Les supports SAW rectangulaires sont également connus sous le nom de supports "sandwich" car ils comportent une section en caoutchouc prise en sandwich entre des plaques de métal.
Cette disposition permet une grande différence entre les rigidités de compression et de cisaillement, ce qui offre la possibilité de "régler" un système de montage en faisant tourner les fixations.
Applications typiques :
- Machines à basse fréquence
- Cribles vibrants
- Matériel de concassage
- Supports de moteur
Gamme de produits

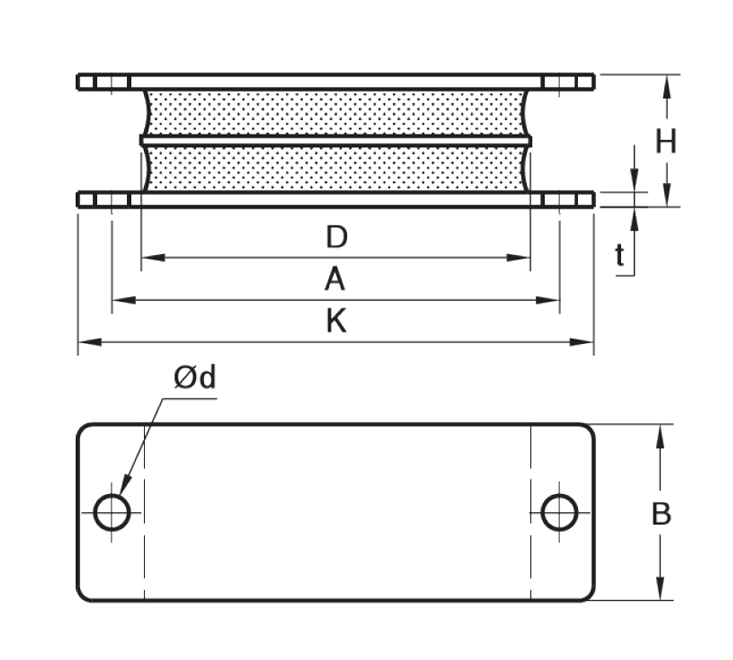
Montage SAW Rectangulaire
Données sur le produit
| DESSIN N°. | N° DE PIÈCE | TYPE | DIMENSIONS (mm) | CHARGE MAX. (kg) | ÉTABLISSEMENT (N/mm) | |||||||||
| A | B | K | H | D | Ød | T | OFFSETS | COMPRESSION | CISEAU | COMPRESSION | CISEAU | |||
| SCIE RECTANGULAIRE - FIXATION DE LA PLAQUE | ||||||||||||||
| 31-0322 | 10-00658 | 45 | 89 | 57 | 108 | 43 | 63,5 | 11 | 5 | – | 180 | 50 | 895 | 36 |
| 10-00659 | 60 | 360 | 75 | 1530 | 72 | |||||||||
| 31-0242 | 10-00648 | 45 | 146 | 57 | 168 | 43 | 127 | 11 | 5 | – | 450 | 120 | 1765 | 80 |
| 10-00651 | 60 | 900 | 150 | 3408 | 160 | |||||||||
| 10-00652 | 70 | 1050 | 150 | 6343 | 240 | |||||||||
| 31-0285 | 10-00656 | 45 | 14 | 57 | 168 | 43 | 127 | 11 | 5 | – | 275 | 150 | 767 | 72 |
| 10-00657 | 60 | 546 | 150 | 1655 | 144 | |||||||||
| 051 18 004 | 96787 | 50 | 146 | 57 | 168 | 51 | 117,5 | 10,8 | 4 | 11 | 140 | 110 | 400 | 70 |
| 96788 | 60 | 280 | 190 | 800 | 130 | |||||||||
| 96789 | 65 | 306 | 200 | 870 | 150 | |||||||||
| 96790 | 75 | 470 | 220 | 1340 | 200 | |||||||||
| 051 18 723 | 49038296 | 65 | 295 | 112 | 322 | 90 | – | 14 | 8 | 800 | 550 | 2700 | 460 | |
| 051 18 002 | 96791 | 50 | 146 | 57 | 168 | 43,2 | 127 | 10,8 | 4 | – | 740 | 170 | 2740 | 130 |
| 96793 | 60 | 900 | 220 | 3330 | 200 | |||||||||
| 96792 | 70 | 1510 | 240 | 5590 | 240 | |||||||||
| 96794 | 75 | 1890 | 300 | 7000 | 380 | |||||||||
| 051 18 719 | 49002463 | 65 | – | 110 | 290 | 50 | 240 | – | 10 | 2500 | 580 | 12500 | 480 | |
| 17-4058 | 10-00141 | 40 | 118 | 148 | 148 | 52 | – | 13,5 | 5 | – | 2250 | 2,4 | 6000 | 115 |
| 10-00142 | 60 | 4500 | 5,7 | 13000 | 250 | |||||||||
| 051 18 720 | 49002649 | 50 | 235 | 170 | 255 | 49 | 140 | 9 | 6 | – | 4100 | 400 | 20500 | 500 |
| 49002650 | 65 | 9800 | 750 | 49000 | 940 | |||||||||
| 17-4059 | 10-00143 | 40 | 136 | 166 | 166 | 63 | – | 13,5 | 6 | – | 3750 | 3,3 | 7505 | 140 |
| 10-00144 | 60 | 7500 | 8,5 | 17200 | 320 | |||||||||
| 17-4060 | 10-00075 | 40 | 184 | 220 | 220 | 82 | – | 17 | 8 | – | 6000 | 6 | 10000 | 200 |
| 10-00076 | 60 | 12000 | 12 | 20000 | 400 | |||||||||
| 17-4061 | 10-00077 | 40 | 270 | 310 | 310 | 120 | – | 22 | 10 | – | 15000 | 15,75 | 16000 | 340 |
| 10-00078 | 60 | 30000 | 31,5 | 31000 | 700 | |||||||||
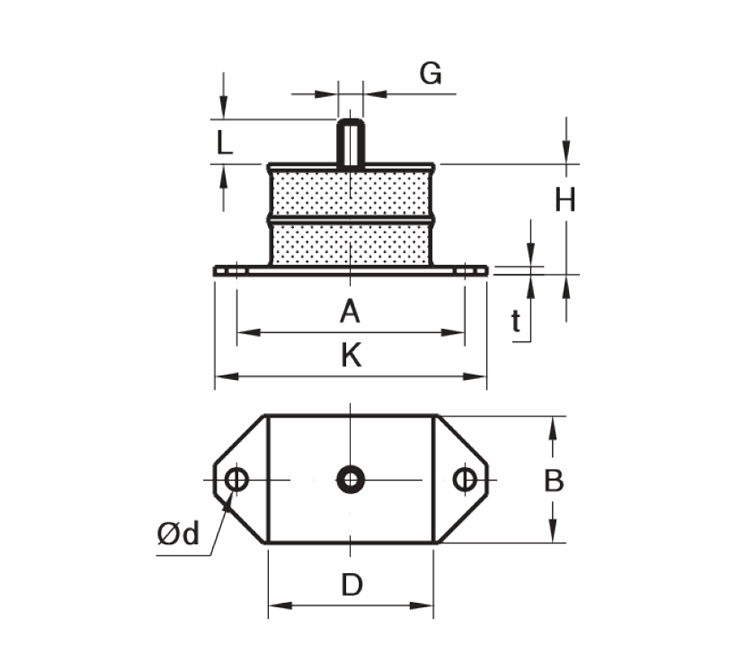
| DESSIN N°. | N° DE PIÈCE | TYPE | DIMENSIONS (mm) | CHARGE MAX. (kg) | ÉTABLISSEMENT (N/mm) | ||||||||||
| A | B | K | H | ØD | ød | T | G | L | COMPRESSION | CISEAU | COMPRESSION | CISEAU | |||
| SCIE RECTANGULAIRE - FIXATION PAR BOULON | |||||||||||||||
| 31-0406 | 10-00661 | 45°IRHD | 74.5 | 41 | 89 | 36 | 54 | 6.5 | 2.5 | M8 | 14 | 90 | 40 | 290 | 29 |
| 10-00971 | 60°IRHD | 180 | 70 | 560 | 57 | ||||||||||
| 10-00663 | 70°IRHD | 250 | 90 | 832 | 85 | ||||||||||
| 051 18 001 | 96796 | 45 NR 11 | 75 | 41 | 90 | 35.8 | 54 | 6.5 | 2.5 | M8 | 14 | 120 | 44 | 500 | 40 |
| 96797 | 50 NR 11 | 150 | 50 | 630 | 50 | ||||||||||
| 96798 | 60 NR 11 | 230 | 60 | 960 | 80 | ||||||||||
| 96745 | 70 NR 11 | 300 | 80 | 1250 | 110 | ||||||||||
Dessin technique

Montage SAW Rectangulaire
Données sur le produit
| DESSIN N°. | N° DE PIÈCE | TYPE | DIMENSIONS (mm) | CHARGE MAX. CHARGE M (kg) | POIDS (Kg) | ||||
| A | K | H | D | T | |||||
| 17-4058 | 10-00141 | 40 | 118 | 148 | 52 | 13.5 | 5 | 2250 | 2.6 |
| 10-00142 | 60 | 4500 | |||||||
| 17-4059 | 10-00143 | 40 | 136 | 166 | 63 | 13.5 | 6 | 3750 | 4.1 |
| 10-00144 | 60 | 7500 | |||||||
| 17-4060 | 10-00075 | 40 | 184 | 220 | 82 | 17 | 8 | 6000 | 9.2 |
| 10-00076 | 60 | 12000 | |||||||
| 17-4061 | 10-00077 | 40 | 270 | 310 | 120 | 22 | 10 | 15000 | 27 |
| 10-00078 | 60 | 30000 | |||||||






