Produktbeschreibung
Ein hochbelastbares, flexibles Lager, das eine hohe Tragfähigkeit mit der Fähigkeit kombiniert, Torsions- und Winkelbewegungen in allen Ebenen ohne Schmierung und Metall-zu-Metall-Verschleiß aufzunehmen. Es ist je nach Befestigungsanforderungen mit Mittelbohrung oder Vollmaterial erhältlich.
Allgemeine Hinweise für die Auswahl:
- Die für die Bauteile in diesem Dokument angegebenen Eigenschaften beziehen sich auf eine kontinuierliche Belastung oder Verformung.
- Bei kontinuierlicher dynamischer zyklischer Belastung oder Verformung sollten die Höchstwerte je nach Frequenz auf etwa 30 % der angegebenen Werte reduziert werden.
Bei mittlerer und geringer einfallender Belastung und Verformung können die angegebenen Werte bis zum 2- bis 3-fachen erhöht werden.
Eine kombinierte Beanspruchung in den verschiedenen Modi und die Auswirkungen von Spannungsumkehrungen erfordern möglicherweise eine kritischere Bewertung.
Typische Anwendungen sind:
- Zug- und Bremsstangen
- Hydraulische Dämpferbefestigungen
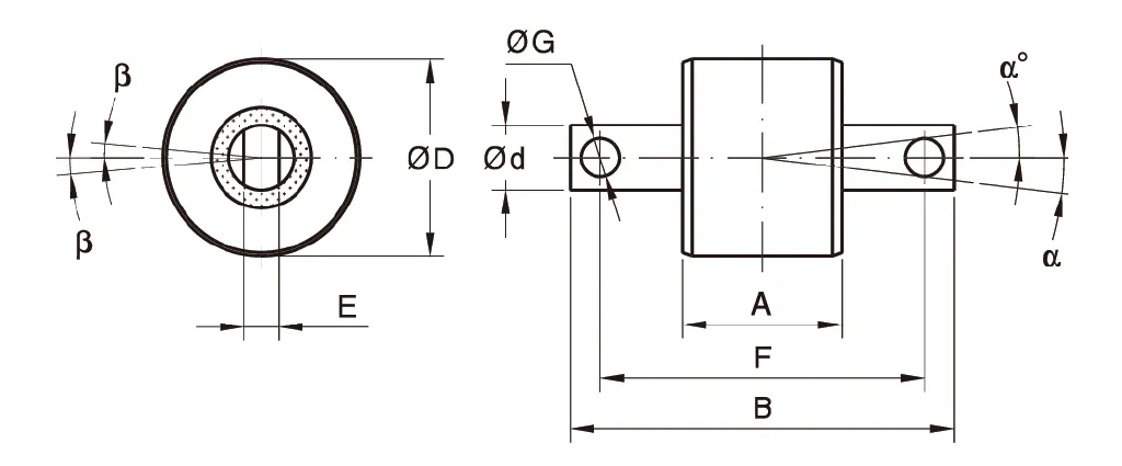
| ZEICHNUNG NR. | ARTIKELNR. | ABMESSUNGEN (mm) | RADIAL | TORSION | KONISCH | |||||||||||
| Gehäuse | Ød |
Toleranz
für Ød |
A | B | E | F | G |
STIFFNESS
(kN/mm) |
MAX. BELASTUNG (kN) |
STIFFNESS
(Nm/deg) |
±β
(Grad) |
STIFFNESS
(Nm/deg) |
±α
(Grad) |
|||
| ØD |
Toleranz
für ØD |
|||||||||||||||
| SPHÄRISCHE BEFESTIGUNG – MITTLERE BOHRUNG | ||||||||||||||||
| 054 18 036 | 90721 | 45 | +0,07/+0,086 | 16 | -0/+0,043 | 35 | 42 | - | - | - | 22 | 12 | 6 | 4 | 4 | 4 |
| 054 18 068 | 92525 | 65 | +0,041/+0,087 | 16 | -0/+0,027 | 32 | 60 | - | - | - | 23 | 18 | 6 | 9 | 6 | 5 |
| 13-1316 | 10-00257 | 66,7 | -0,04/+0 | 25,4 | -0/+0,08 | 47,6 | 54 | - | - | - | 70 | 34 | 16 | 8 | 16 | 6 |
| 054 18 191 | 93644 | 75 | +0,043/+0,089 | 20 | -0/+0,033 | 46 | 50 | - | - | - | 34 | 20 | 24 | 4 | 20 | 4 |
| 054 18 070 | 92041 | 90 | +0,051/+0,105 | 30 | -0/+0,033 | 45 | 76 | - | - | - | 85 | 45 | 47 | 3 | 40 | 3 |
| 13-2106-1 | 10-00291 | 90,5 | -0,03/+0,01 | 28,6 | -0,02/+0,12 | 70 | 76,2 | - | - | - | 100 | 58 | 49 | 8 | 49 | 6 |
| 13-1006 | 10-00237 | 90,5 | -0,03/+0,02 | 28,6 | -0,03/+0,05 | 70 | 76,2 | - | - | - | 93 | 58 | 49 | 8 | 49 | 6 |
| 054 18 163 | 93418 | 100 | +0,051/+0,105 | 53 | -0/+0,03 | 46,5 | 50 | - | - | - | 44 | 27 | 88 | 3 | 56 | 3 |
| 93643 | 50 | 34 | 107 | 68 | ||||||||||||
| 13-1285 | 10-00255 | 104,8 | -0,04/+0 | 38,1 | -0/+0,08 | 76,2 | 82,6 | - | - | - | 155 | 98 | 63 | 8 | 62 | 7 |
| 054 18 122 | 2118217 | 110 | +0,054/+0,089 | 40 | -0/+0,039 | 76 | 78 | - | - | - | 71 | 64 | 75 | 3 | 57 | 3 |
| 13-1180 | 10-01099 | 127 | -0,02/+0,04 | 44,5 | -0/+0,08 | 101,6 | 104,8 | - | - | - | 87 | 93 | 119 | 7 | 108 | 7 |
| 13-4007 | 10-00273 | 127 | -0,02/+0,04 | 50,1 | -0,1/+0,04 | 101,6 | 104,8 | - | - | - | 260 | 220 | 262 | 6 | 227 | 5 |
| 13-2624 | 10-03344 | 127 | -0,02/+0,04 | 31 | -0/+0,5 | 101,6 | 120 | - | - | - | 87 | 93 | 119 | 7 | 108 | 7 |
| 054 18 756 | 509887 | 130 | +0,027/+0,067 | 60 | -0/+0,03 | 87 | 98 | - | - | - | 336 | 100 | 182 | 3 | 243 | 3 |
| 054 18 740 | 2124226 | 140 | +0,122/+0,185 | 60 | -0/+0,46 | 90 | 100 | - | - | - | 170 | 80 | 478 | 3 | 308 | 6 |
| 13-1990 | 10-03251 | 150 | -0,02/+0,07 | 60 | -0/+0,1 | 120 | 133,8 | - | - | - | 240 | 250 | 300 | 7 | 280 | 6 |
| 13-2623 | 10-03723 | 150 | -0,02/+0,07 | 37 | -0/+0,25 | 120 | 140 | - | - | - | 150 | 205 | 155 | 8 | 125 | 8 |
| 054 18 204 | 596836 | 172 | -0,15/+0,21 | 80 | -0/+0,03 | 120 | 138 | - | - | - | 120 | 170 | 445 | 3 | 295 | 3 |
| SPHÄRISCHE BEFESTIGUNG – TRUNNION | ||||||||||||||||
| 13-4089-00 | 10-01608 | 45 | -0,01/+0,05 | 30 | -- | 36 | 105 | 12 | 75 | 13 | 55 | 7 | 6 | 8 | 6 | 8 |
| 13-2202-1 | 10-00302 | 66,7 | -0/+0,1 | 35 | -- | 47,6 | 120 | 20 | 90 | 13 | 70 | 34 | 12 | 8 | 16 | 6 |
| 054 18 711 | 462023 | 66,67 | +0,032/+0,062 | 40 | -0,25/+0,25 | 47,6 | 135 | 16 | 96 | 18 | 56 | 50 | 34 | 3 | 24 | 3 |
| 054 18 710 | 465259 | 66,67 | +0,032/+0,062 | 40 | -0,25/+0,25 | 47,6 | 135 | 16 | 96 | 18 | 35 | 25 | 23 | 3 | 9 | 3 |
| 054 18 732 | 479059 | 66,67 | +0,032/+0,062 | 40 | -0,25/+0,25 | 47,6 | 160 | 18 | 120 | 18 | 76 | 25 | 27 | 3 | 20 | 3 |
| 13-2033 | 10-00283 | 84 | -0/+0,05 | 40 | -- | 65 | 155 | 20 | 120 | 17 | 150 | 75 | 49 | 6 | 49 | 6 |
| 054 18 202 | 90205 | 90 | +0,124/+0,178 | 50 | -0,052/+0 | 65 | 170 | 30 | 130 | 22 | 85 | 46 | 62 | 3 | 43 | 3 |
| 13-2192-1 | 10-00878 | 90,5 | -0,03/+0,01 | 48 | -- | 71,4 | 170 | 30 | 130 | 21 | 90 | 58 | 49 | 8 | 49 | 6 |
| 13-2400 | 10-03615 | 104,8 | -0,04/+0 | 50,5 | -- | 76,2 | 195 | 30 | 152 | 23 | 220 | 150 | 75 | 8 | 71 | 7 |
| 13-2607-1 | 10-02168 | 104,8 | -0,04/+0 | 50,5 | -- | 76,2 | 195 | 30 | 152 | 25 | 220 | 150 | 75 | 8 | 71 | 7 |
| 13-2223 | 10-00304 | 104,8 | -0,04/+0 | 50,5 | -- | 76,2 | 170 | 30 | 130 | 19 | 220 | 150 | 79 | 8 | 131 | 6 |
| 13-2568 | 10-02512 | 104,8 | -0,04/+0 | 50,5 | -- | 76,2 | 170 | 30 | 130 | 21 | 220 | 150 | 79 | 8 | 131 | 7 |
| 054 18 190 | 92834 | 110 | +0,144/+0,198 | 54 | -0,2/+0,2 | 80 | 200 | 32 | 150 | 26 | 43 | 50 | 66 | 10 | 71 | 10 |
| 054 18 702 | 500742 | 120 | +0,144/+0,198 | 60 | -- | 90 | 220 | 40 | 170 | 28 | 120 | 82 | 150 | 10 | 110 | 10 |
| 13-4011 | 10-04047 | 127 | -0,02/+0,04 | 51,5 | -- | 101,6 | 232 | 30 | 190 | 26 | 190 | 220 | 150 | 8 | 125 | 7 |
| 054 18 735 | 2123524 | 140 | +0,17/+0,233 | 60 | -- | 100 | 240 | 36 | 190 | 25 | 14 | 40 | 52 | 7 | 34 | 7 |

Industrielles Produktportfolio
Laden Sie die gesamte Palette der industriellen Antivibrationsprodukte herunter.


