Produktbeschreibung
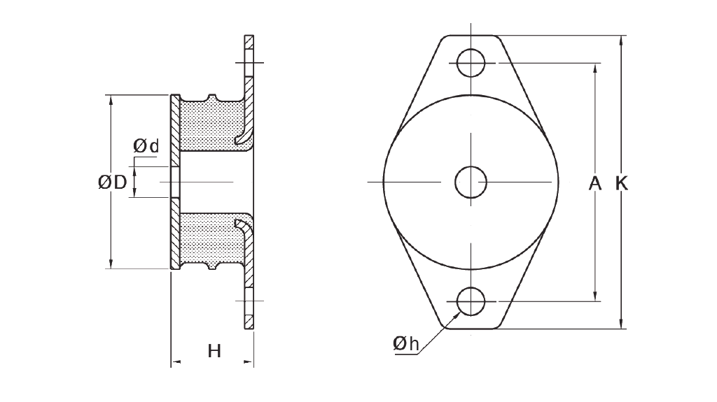
Das in die Konstruktion integrierte Metallzwischenblatt sorgt für ein höheres Verhältnis von Druck- zu Schersteifigkeit und erhöht dadurch die Tragfähigkeit im Druck- oder kombinierten Druck- und Schermodus. Das Motorlager 17-1780 verfügt über einen Hohlraum im Gummiteil, um die Verwendung einer zentralen Dämpfungsvorrichtung zu ermöglichen. 17-1780 kann mit einer Rückprallscheibe für mobile Anwendungen ausgestattet werden.
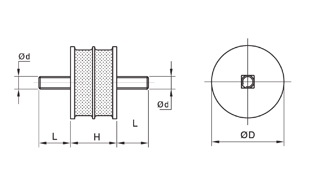
| ZEICHNUNG Nr. | TEIL Nr. | TYP | ABMESSUNGEN (mm) | MAX BELASTUNG (kg) | ||||||||
| ØD |
H |
Ød |
L |
A |
K |
G |
h |
KOMPRESSION |
SHEAR |
|||
| 17-1392 | 10-00492 | 45 &Grad;IRHD | 57 | 37 | M10 | 25 | - | - | - | - | 120 | 50 |
| 10-00493 | 60 &Grad;IRHD | 250 | 70 | |||||||||
| 10-00494 | 70 &Grad;IRHD | 330 | 85 | |||||||||
| 17-1780 | 10-00577 | 45 &Grad;IRHD | 95 | 45 | - | - | 130 | 160 | 17 | 15 | 180 | 135 |
| 10-00578 | 60 &Grad;IRHD | 350 | 160 | |||||||||

Industrielles Produktportfolio
Laden Sie die gesamte Palette der industriellen Antivibrationsprodukte herunter.


