Produktbeschreibung
Die Metacone-Produktreihe ist für eine hohe Tragfähigkeit mit relativ großen statischen Durchbiegungen ausgelegt. Die hohe Belastung für eine bestimmte Größe wird durch die optimale Ausnutzung des Gummis bei Scherung und Druck erreicht. Typischerweise werden die Dämpfer mit Überlast- und Rückprallscheiben montiert, um die Bewegung der aufgehängten Ausrüstung bei Stoßbelastungen zu kontrollieren und zu begrenzen.
Ihr kompaktes, ausfallsicheres Design ist für eine breite Palette von Belastungen verfügbar, in einigen Fällen mit alternativen Befestigungen. Aussparungen in Gummiprofilen in verschiedenen Größen sorgen für unterschiedliche vertikale/horizontale Steifigkeitsverhältnisse.
Produktpalette
Metacone Small
| ZEICHNUNG NR. | ARTIKELNR. | HÄRTE (IRHD). | AXIAL (Z) | RADIAL (X) | RADIAL (Y) | SCHRAUBENGRÖSSE |
MAX.
SCHRAUBENDREHMOMENT (Nm) |
OBERE WASCHMASCHINE TEILE-NR. | UNTERLEGSCHEIBE TEILE-NR. | GEWICHT (kg) | |||
|
STIFFNESS
(N/mm) |
MAX. BELASTUNG (N) |
STIFFNESS
(N/mm) |
MAX. BELASTUNG (N) |
STIFFNESS
(N/mm) |
MAX. BELASTUNG (N) | ||||||||
| 11-1009 | 10-00192 | 45 | 196 | 1400 | 192 | 300 | 520 | 8500 | M16 | 75 | 20-00532 | 20-00532 | 0,59 |
| 10-00193 | 55 | 300 | 2000 | 295 | 450 | 875 | 14500 | 0,59 | |||||
| 17-1550 | 10-02605 | 45 | 588 | 7200 | 1400 | 3150 | 1400 | 31500 | M24 | 260 | 20-00534 | 20-00534 | 4,4 |
| 10-02271 | 60 | 995 | 12500 | 2630 | 5900 | 2630 | 59000 | 4,4 | |||||
| 17-4040 | 10-00190 | HK 600-40 | 1500 | 6850 | 2750 | 3050 | 2750 | 30500 | M20 | 160 | 20-00643 | 20-00644 | 1 |
| 10-00191 | HK 600-60 | 2650 | 12600 | 4700 | 5250 | 4700 | 52500 | 1 | |||||
| 10-00064 | HK 600-70 | 3900 | 18500 | 6900 | 7750 | 6900 | 77500 | 1 | |||||
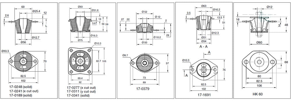
Metacone Small Technische Zeichnungen
| ZEICHNUNG NR. | ARTIKELNR. | HÄRTE (IRHD). | AXIAL (Z) | RADIAL (X) | RADIAL (Y) | SCHRAUBENGRÖSSE |
MAX.
SCHRAUBENDREHMOMENT (Nm) |
OBERE WASCHMASCHINE TEILE-NR. | UNTERLEGSCHEIBE TEILE-NR. | GEWICHT (kg) | |||
|
STIFFNESS
(N/mm) |
MAX. BELASTUNG (N) |
STIFFNESS
(N/mm) |
MAX. BELASTUNG (N) |
STIFFNESS
(N/mm) |
MAX. BELASTUNG (N) | ||||||||
| 17-0379 | 10-00402 | 45 | 97 | 350 | 300 | 320 | 300 | 320 | M10 | 25 | 20-00531 | 20-00531 | 0,12 |
| 10-00404 | 60 | 190 | 700 | 520 | 650 | 520 | 650 | ||||||
| 17-1691 | 10-00566 | 45 | 215 | 720 | 626 | 600 | 1400 | 1300 | M12 | 90 | 20-00535 | 20-00536 | 0,44 |
| 10-00567 | 60 | 450 | 1440 | 1252 | 1150 | 2800 | 2600 | ||||||
| 057 18 001 | 90905 | 50 | 160 | 550 | 1000 | 1000 | 1000 | 1000 | M10 | 25 | 49056605 | 49056605 | 0,14 |
| 90810 | 65 | 380 | 1300 | 1800 | 1800 | 1800 | 1800 | ||||||
| 91056 | 75 | 580 | 2000 | 2200 | 2200 | 2200 | 2200 | ||||||
| 17-0241 | 10-00374 | 45 | 166 | 620 | 460 | 500 | 920 | 950 | M12 | 40 | 20-00529 | 10-03666 | 0,18 |
| 10-00375 | 60 | 333 | 1220 | 920 | 950 | 1840 | 1900 | ||||||
| 17-0248 | 10-00379 | 45 | 250 | 950 | 1600 | 1950 | 1600 | 1950 | M12 | 40 | 20-00529 | 10-03666 | 0,19 |
| 10-00380 | 60 | 500 | 1900 | 3250 | 4000 | 3250 | 4000 | ||||||
| 17-0189 | 10-00365 | 45 | 428 | 1450 | 1205 | 1250 | 1205 | 1250 | M12 | 40 | 20-00529 | 10-03666 | 0,28 |
| 10-00367 | 70 | 1180 | 4000 | 3550 | 3600 | 3550 | 3600 | ||||||
| 17-4039 | 10-01119 | HK 60-40 | 200 | 900 | 520 | 900 | 520 | 900 | M12 | 40 | 20-01103 | 20-00416 | 0,24 |
| 10-01122 | HK 60-50 | 256 | 1150 | 760 | 1150 | 760 | 1150 | ||||||
| 10-01120 | HK 60-60 | 405 | 1800 | 1200 | 1800 | 1200 | 1800 | ||||||
| 10-01121 | HK 60-70 | 560 | 2500 | 1760 | 2500 | 1760 | 2500 | ||||||
Metacone Small Technische Zeichnungen
Metacone Medium
| ZEICHNUNG NR. | ARTIKELNR. |
|
AXIAL (Z) | RADIAL (X) | RADIAL (Y) | SCHRAUBENGRÖSSE | MAX. SCHRAUBENDREHMOMENT (Nm) | OBERE WASCHMASCHINE TEILE-NR. | UNTERLEGSCHEIBE TEILE-NR. |
GEWICHT
(kg) |
|||||||||||||||||||||
|
STIFFNESS
(N/mm) |
MAX. BELASTUNG (N) |
STIFFNESS
(N/mm) |
MAX. BELASTUNG (N) |
STIFFNESS
(N/mm) |
MAX. BELASTUNG (N) | ||||||||||||||||||||||||||
| 057 18 226 | 93947 | 50 | 480 | 2300 | 2100 | 1200 | 2100 | 1200 | M12 | 40 | 97138 | 93950 /
93127 |
0,31 | ||||||||||||||||||
| 93948 | 65 | 990 | 5000 | 4200 | 2000 | 4200 | 2000 | ||||||||||||||||||||||||
| 93949 | 75 | 1400 | 6000 | 12000 | 9000 | 12000 | 9000 | ||||||||||||||||||||||||
| 057 18 816 | 49047034 | 50 | 240 | 700 | 640 | 1000 | 640 | 1000 | M12 | 65 | inklusive | inklusive | 0,4 | ||||||||||||||||||
| 49047035 | 65 | 460 | 1400 | 1200 | 1800 | 1200 | 1800 | ||||||||||||||||||||||||
| 49047036 | 75 | 720 | 2200 | 1800 | 2700 | 1800 | 2700 | ||||||||||||||||||||||||
| 17-1032 | 10-02905 | 45 | 492 | 2500 | 490 | 750 | 975 | 750 | M16 | 135 | 20-00532 | 20-00532 | 1 | ||||||||||||||||||
| 10-02977 | 60 | 860 | 4700 | 975 | 1500 | 1950 | 1500 | ||||||||||||||||||||||||
| 17-1843 | 20-02529 | 45 | 520 | 3200 | 870 | 1400 | 870 | 1400 | M20 | 160 | 20-00533 | 20-00533 | 1,7 | ||||||||||||||||||
| 10-03505 | 50 | 660 | 3800 | 1100 | 1800 | 1100 | 1800 | ||||||||||||||||||||||||
| 10-00610 | 60 | 1060 | 6000 | 2800 | 4500 | 2800 | 4500 | ||||||||||||||||||||||||
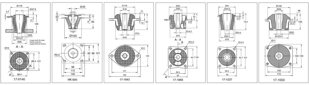
Metacone Medium Technische Zeichnungen
Metacone
| ZEICHNUNG NR. | ARTIKELNR. | HÄRTE (IRHD). | AXIAL (Z) | RADIAL (X) | RADIAL (Y) | SCHRAUBENGRÖSSE | MAX. SCHRAUBENDREHMOMENT (Nm) | OBERE WASCHMASCHINE TEILE-NR. | UNTERLEGSCHEIBE TEILE-NR. |
GEWICHT
(kg) |
|||
|
STIFFNESS
(N/mm) |
MAX. BELASTUNG (N) |
STIFFNESS
(N/mm) |
MAX. BELASTUNG (N) |
STIFFNESS
(N/mm) |
MAX. BELASTUNG (N) | ||||||||
| 057 18 013 | 90697 | 50 | 670 | 3700 | 6700 | 13400 | 6700 | 13400 | M20 | 220 | 97141 | 511081 /
90819 / 90831 |
0,99 |
| 90877 | 65 | 1500 | 8700 | 10000 | 19500 | 9300 | 19500 | ||||||
| 90849 | 75 | 2400 | 13700 | 24000 | 48000 | 24000 | 48000 | ||||||
| 057 18 756 | 511906 | 50 | 600 | 4000 | 1800 | 5500 | 1800 | 5500 | M16 | 200 | 511927 | 511928 | 0,96 |
| 2129306 | 60 | 860 | 7000 | 3200 | 9500 | 3200 | 9500 | ||||||
| 2129307 | 65 | 1510 | 8000 | 3800 | 11500 | 3800 | 11500 | ||||||
| 2129308 | 70 | 1650 | 10000 | 4500 | 13500 | 4500 | 13500 | ||||||
| 2129309 | 75 | 1900 | 12000 | 5200 | 15500 | 5200 | 15500 | ||||||
| 057 18 757 | 2129310 | 50 | 550 | 4400 | 2900 | 8800 | 1600 | 4800 | M16 | 200 | 511927 | 511928 | 0,95 |
| 2129311 | 60 | 730 | 6000 | 3600 | 10800 | 2300 | 6800 | ||||||
| 2129312 | 65 | 1150 | 8500 | 4300 | 12800 | 3000 | 8800 | ||||||
| 2129313 | 70 | 1450 | 11600 | 5000 | 14800 | 3600 | 10800 | ||||||
| 2129314 | 75 | 1800 | 14400 | 5600 | 16800 | 4300 | 12800 | ||||||
| ZEICHNUNG NR. | ARTIKELNR. | HÄRTE (IRHD). | AXIAL (Z) | RADIAL (X) | RADIAL (Y) | SCHRAUBENGRÖSSE | MAX. SCHRAUBENDREHMOMENT (Nm) | OBERE WASCHMASCHINE TEILE-NR. | UNTERLEGSCHEIBE TEILE-NR. |
GEWICHT
(kg) |
|||||||||||||||||
|
STIFFNESS
(N/mm) |
MAX. BELASTUNG (N) |
STIFFNESS
(N/mm) |
MAX. BELASTUNG (N) |
STIFFNESS
(N/mm) |
MAX. BELASTUNG (N) | ||||||||||||||||||||||
| 057 18 143 | 92792 | 50 | 600 | 3500 | 3000 | 7400 | 3000 | 7400 | M20 | 220 | 97141 | 90819 /
90831 |
1,11 | ||||||||||||||
| 92793 | 65 | 1220 | 7200 | 4800 | 12000 | 4800 | 12000 | ||||||||||||||||||||
| 17-0146 | 10-00360 | 45 | 1400 | 9500 | 5900 | 8400 | 5900 | 8400 | M24 | 200 | 20-00527 | 10-03862 | 2 | ||||||||||||||
| 10-00361 | 60 | 2860 | 17000 | 11800 | 16800 | 11800 | 16800 | ||||||||||||||||||||
| 057 18 019 | 49014538 | 45 (D) | 1300 | 8500 | 6500 | 4300 | 6500 | 4300 | M24 | 535 | 97142 | 90501 | 2,15 | ||||||||||||||
| 91430 | 50 (C) | 1500 | 10300 | 6400 | 9600 | 6400 | 9600 | ||||||||||||||||||||
| 90867 | 55 (B) | 2100 | 13400 | 10500 | 7000 | 10500 | 7000 | ||||||||||||||||||||
| 60034212 | 60 (A) | 2300 | 14700 | 11500 | 7700 | 11500 | 7700 | ||||||||||||||||||||
| 90491 | 65 (E) | 3400 | 23000 | 17000 | 11300 | 17000 | 11300 | ||||||||||||||||||||
| 91009 | 75 (F) | 4200 | 30900 | 21000 | 14000 | 21000 | 14000 | ||||||||||||||||||||
| 92346 | 80 (G) | 5800 | 48000 | 29000 | 19300 | 29000 | 19300 | ||||||||||||||||||||
Metacone Medium Technische Zeichnungen
| ZEICHNUNG NR. | ARTIKELNR. | HÄRTE (IRHD). | AXIAL (Z) | RADIAL (X) | RADIAL (Y) | SCHRAUBENGRÖSSE | MAX. SCHRAUBENDREHMOMENT (Nm) | OBERE WASCHMASCHINE TEILE-NR. | UNTERLEGSCHEIBE TEILE-NR. |
GEWICHT
(kg) |
|||||||||||||||
|
STIFFNESS
(N/mm) |
MAX. BELASTUNG (N) |
STIFFNESS
(N/mm) |
MAX. BELASTUNG (N) |
STIFFNESS
(N/mm) |
MAX. BELASTUNG (N) | ||||||||||||||||||||
| 17-0277 | 10-00385 | 45 | 207 | 1250 | 620 | 950 | 410 | 650 | M16 | 75 | 20-00773 | 20-00532 | 0,56 | ||||||||||||
| 10-00387 | 60 | 378 | 2300 | 1470 | 2250 | 740 | 1150 | ||||||||||||||||||
| 17-0311 | 10-00391 | 45 | 207 | 1250 | 325 | 550 | 655 | 1050 | M16 | 75 | 20-00773 | 20-00532 | 0,58 | ||||||||||||
| 10-00392 | 60 | 378 | 2200 | 650 | 1050 | 1310 | 2150 | ||||||||||||||||||
| 17-1865 | 10-00615 | 55 | 300 | 1800 | 1200 | 1850 | 600 | 900 | M16 | 135 | 20-00532 | 20-00532 | 0,86 | ||||||||||||
| 17-0341 | 10-00394 | 45 | 266 | 1600 | 866 | 1400 | 866 | 1400 | M16 | 75 | 20-00773 | 20-00532 | 0,54 | ||||||||||||
| 10-00395 | 60 | 540 | 3000 | 1732 | 2800 | 1732 | 2800 | ||||||||||||||||||
| 10-00396 | 70 | 758 | 4300 | 2300 | 3750 | 2300 | 3750 | ||||||||||||||||||
| 057 18 065 | 90822 | 50 | 240 | 1700 | 650 | 1000 | 330 | 500 | M16 | 63 | 49032678 | - | 0,68 | ||||||||||||
| 92448 | 75 | 880 | 6000 | 1750 | 2600 | 1100 | 1700 | ||||||||||||||||||
| 057 18 123 | 93270 | 50 | 520 | 3500 | 1000 | 1500 | 1000 | 1500 | M16 | 63 | 49032678 | - | 0,7 | ||||||||||||
| 91790 | 70 | 1100 | 6000 | 1700 | 2600 | 1700 | 2600 | ||||||||||||||||||
| 057 18 228 | 93641 | 40 | 210 | 1600 | 440 | 650 | 180 | 300 | M16 | 126 | 49032678 | 49026836 | 0,86 | ||||||||||||
| 93642 | 50 | 400 | 3100 | 890 | 1350 | 360 | 550 | ||||||||||||||||||
| 91405 | 70 | 600 | 6500 | 600 | 2400 | 700 | 1050 | ||||||||||||||||||
| 057 18 075 | 93385 | 50 | 630 | 4100 | 800 | 1200 | 800 | 1200 | M16 | 126 | 49032678 | 49026836 | 0,93 | ||||||||||||
| 91829 | 65 | 1100 | 8500 | 1400 | 2100 | 1400 | 2100 | ||||||||||||||||||
| 90863 | 75 | 1500 | 13000 | 2240 | 3360 | 2240 | 3360 | ||||||||||||||||||
| ZEICHNUNG NR. | ARTIKELNR. | HÄRTE (IRHD). | AXIAL (Z) | RADIAL (X) | RADIAL (Y) | SCHRAUBENGRÖSSE | MAX. SCHRAUBENDREHMOMENT (Nm) | OBERE WASCHMASCHINE TEILE-NR. | UNTERLEGSCHEIBE TEILE-NR. |
GEWICHT
(kg) |
|||||||||||||||||
|
STIFFNESS
(N/mm) |
MAX. BELASTUNG (N) |
STIFFNESS
(N/mm) |
MAX. BELASTUNG (N) |
STIFFNESS
(N/mm) |
MAX. BELASTUNG (N) | ||||||||||||||||||||||
| 17-0566 | 10-00433 | 45 | 389 | 2000 | 750 | 1250 | 750 | 1250 | M16 | 135 | 20-00532 | 20-00532 | 0,82 | ||||||||||||||
| 10-00434 | 60 | 690 | 3800 | 1500 | 2450 | 1500 | 2450 | ||||||||||||||||||||
| 10-00435 | 70 | 905 | 5250 | 2300 | 3750 | 2300 | 3750 | ||||||||||||||||||||
| 17-0391 | 10-00409 | 35 | 328 | 1950 | 737 | 1150 | 737 | 1150 | M16 | 135 | 20-00532 | 20-00532 | 1,1 | ||||||||||||||
| 10-00411 | 45 | 492 | 2900 | 1105 | 1700 | 1105 | 1700 | ||||||||||||||||||||
| 10-00414 | 60 | 765 | 5000 | 2185 | 3350 | 2185 | 3350 | ||||||||||||||||||||
| 10-00415 | 70 | 1325 | 6100 | 3470 | 5300 | 3470 | 5300 | ||||||||||||||||||||
| 17-1227 | 10-00723 | 50 | 990 | 6350 | 7600 | 8500 | 7600 | 8500 | M20 | 180 | 20-00528 | 10-03707 | 1,1 | ||||||||||||||
| 10-00460 | 60 | 1562 | 10000 | 12000 | 13500 | 12000 | 13500 | ||||||||||||||||||||
| 10-02575 | 70 | 2300 | 14700 | 17640 | 19700 | 17640 | 19700 | ||||||||||||||||||||
Metacone Medium Technische Zeichnungen
Metacone
| ZEICHNUNG NR. | ARTIKELNR. | HÄRTE (IRHD). | AXIAL (Z) | RADIAL (X) | RADIAL (Y) | SCHRAUBENGRÖSSE |
MAX.
SCHRAUBENDREHMOMENT (Nm) |
OBERE WASCHMASCHINE TEILE-NR. | UNTERLEGSCHEIBE TEILE-NR. |
GEWICHT
(kg) |
|||||||
|
STIFFNESS
(N/mm) |
MAX. BELASTUNG (N) |
STIFFNESS
(N/mm) |
MAX. BELASTUNG (N) |
STIFFNESS
(N/mm) |
MAX. BELASTUNG (N) | ||||||||||||
| 057 18 224 | 91491 | 65 | 330 | 5530 | 1400 | 2800 | 700 | 1400 | M16x1,5 | 230 | inklusive | - | 1,84 | ||||
| 91381 | 75 | 560 | 8960 | 2200 | 4400 | 1100 | 2200 | ||||||||||
| 057 18 220 | 91067 | 40 | 210 | 1100 | 750 | 1500 | 750 | 1500 | M16x1,5 | 230 | inklusive | - | 3,21 | ||||
| 91374 | 50 | 430 | 2200 | 1100 | 2200 | 1100 | 2200 | ||||||||||
| 93876 | 65 | 710 | 6200 | 1700 | 3400 | 1700 | 3400 | ||||||||||
| 91230 | 75 | 1050 | 8500 | 2600 | 5200 | 2600 | 5200 | ||||||||||
| 49018753 | 80 | 1500 | 10000 | 3900 | 7800 | 3900 | 7800 | ||||||||||
Metacone Medium Technische Zeichnungen
Metacone
| ZEICHNUNG NR. | ARTIKELNR. | HÄRTE (IRHD). | AXIAL (Z) | RADIAL (X) | RADIAL (Y) | BOLT STYLE | SCHRAUBENGRÖSSE | MAX SCHRAUBENDREHMOMENT (Nm) | OBERE WASCHMASCHINE TEILE-NR. | UNTERLEGSCHEIBE TEILE-NR. | |||
|
STIFFNESS
(N/mm) |
MAX BELASTUNG (N) |
STIFFNESS
(N/mm) |
MAX BELASTUNG (N) |
STIFFNESS
(N/mm) |
MAX BELASTUNG (N) | ||||||||
| 057 18 801 | 49038287 | 40 | 200 | 2100 | 270 | 1400 | 270 | 1400 | BLIND | - | |||
| 60901350 | THRO' | M16 | 230 | - | - | ||||||||
| 60901357 | THRO' | inklusive | |||||||||||
| 49038288 | 50 | 240 | 2500 | 350 | 1800 | 350 | 1800 | BLIND | - | ||||
| 60901351 | THRO' | M16 | 230 | - | - | ||||||||
| 60901358 | THRO' | inklusive | |||||||||||
| 49038289 | 50 | 320 | 3100 | 450 | 2300 | 450 | 2300 | BLIND | M16 | 230 | - | - | |
| 60901352 | THRO' | - | |||||||||||
| 60901359 | THRO' | inklusive | |||||||||||
| 49038290 | 55 | 340 | 3500 | 600 | 3000 | 600 | 3000 | BLIND | M16 | 230 | - | - | |
| 60901353 | THRO' | - | |||||||||||
| 60901360 | THRO' | inklusive | |||||||||||
| 49038291 | 60 | 450 | 4700 | 830 | 4200 | 830 | 4200 | BLIND | M16 | 230 | - | - | |
| 60901354 | THRO' | - | |||||||||||
| 60901361 | THRO' | inklusive | |||||||||||
| 49038302 | 65 | 520 | 5500 | 1040 | 5200 | 1040 | 5200 | BLIND | M16 | 230 | - | - | |
| 60901355 | THRO' | - | |||||||||||
| 60901362 | THRO' | inklusive | |||||||||||
| 60901415 | 70 | 600 | 6700 | 1100 | 5500 | 1100 | 5500 | BLIND | M16 | 230 | - | - | |
| 60901356 | THRO' | - | |||||||||||
| 60901363 | THRO' | inklusive | |||||||||||
| 057 18 799 | 49038272 | 40 | 300 | 3000 | 500 | 2500 | 500 | 2500 | BLIND | - | |||
| 60901634 | THRO' | M16 | 230 | - | - | ||||||||
| 60900310 | THRO' | inklusive | |||||||||||
| 49038273 | 50 | 380 | 3700 | 650 | 3300 | 650 | 3300 | BLIND | - | ||||
| 60901635 | THRO' | M16 | 230 | - | - | ||||||||
| 60901745 | THRO' | inklusive | |||||||||||
| 49038274 | 50 | 450 | 4600 | 800 | 4000 | 800 | 4000 | BLIND | M16 | 230 | - | - | |
| 60901636 | THRO' | - | |||||||||||
| 60901746 | THRO' | inklusive | |||||||||||
| 49038275 | 55 | 550 | 5600 | 1100 | 5500 | 1100 | 5500 | BLIND | M16 | 230 | - | - | |
| 60901637 | THRO' | - | |||||||||||
| 60901747 | THRO' | inklusive | |||||||||||
| 49038276 | 60 | 700 | 7500 | 1500 | 7500 | 1500 | 7500 | BLIND | M16 | 230 | - | - | |
| 60901638 | THRO' | - | |||||||||||
| 60901748 | THRO' | inklusive | |||||||||||
| 49038277 | 65 | 780 | 8300 | 1550 | 7800 | 1550 | 7800 | BLIND | M16 | 230 | - | - | |
| 60901639 | THRO' | - | |||||||||||
| 60901749 | THRO' | inklusive | |||||||||||
| 60901381 | 70 | 900 | 9900 | 1950 | 9800 | 1950 | 9800 | BLIND | M16 | 230 | - | - | |
| 60901640 | THRO' | - | |||||||||||
| 60900072 | THRO' | inklusive | |||||||||||
Metacone Medium Technische Zeichnungen
Metacone
| ZEICHNUNG NR. | ARTIKELNR. | HÄRTE (IRHD). | AXIAL (Z) | RADIAL (X) | RADIAL (Y) | SCHRAUBENGRÖSSE | MAX. SCHRAUBENDREHMOMENT (Nm) |
OBERE WASCHMASCHINE TEILE-NR. | UNTERLEGSCHEIBE TEILE-NR. | GEWICHT
(kg) |
|||
| STIFFNESS
(N/mm) |
MAX. BELASTUNG (N) | STIFFNESS
(N/mm) |
MAX. BELASTUNG (N) | STIFFNESS
(N/mm) |
MAX. BELASTUNG (N) | ||||||||
|
057 18 804 |
49041359 |
50 |
490 |
1400 |
1100 |
3300 |
1100 |
3300 |
M16 |
95 |
inklusive |
inklusive |
0,79 |
|
49041360 |
65 |
900 |
2800 |
2200 |
6600 |
2200 |
6600 |
||||||
|
49041361 |
75 |
1300 |
4000 |
3300 |
8000 |
3300 |
8000 |
||||||
|
057 18 805 |
49075604 |
40 |
220 |
900 |
880 |
2700 |
400 |
1200 |
M16 |
95 |
inklusive |
inklusive |
0,77 |
|
49041362 |
50 |
290 |
1000 |
1100 |
3300 |
500 |
1500 |
||||||
|
49075605 |
60 |
520 |
1500 |
1500 |
4800 |
690 |
2100 |
||||||
|
49041363 |
65 |
540 |
1600 |
1900 |
6000 |
860 |
2600 |
||||||
|
49041364 |
75 |
950 |
2200 |
3300 |
8000 |
1200 |
3600 |
||||||
| 057 18 806 | 49041365 | 50 | 1200 | 2500 | 1265 | 2530 | 1265 | 2530 | M16 | 95 | inklusive | inklusive | 1,39 |
| 49041366 | 65 | 2100 | 4200 | 2145 | 4290 | 2145 | 4290 | ||||||
| 49041367 | 75 | 3800 | 7500 | 3780 | 7560 | 3780 | 7560 | ||||||
| 057 18 060 | 93900 | 40 | 230 | 2400 | 560 | 2200 | 560 | 2200 | M16 | 150 | 97140 | 97139 | 0,95 |
| 91479 | 50 | 360 | 3800 | 870 | 3400 | 870 | 3400 | ||||||
| 90465 | 65 | 660 | 7000 | 1400 | 5600 | 1400 | 5600 | ||||||
| 476214 | 75 | 830 | 9000 | 2100 | 8400 | 2100 | 8400 | ||||||
| 90821 | 85 | 1290 | 14000 | 2000 | 11000 | 2000 | 11000 | ||||||
| 057 18 807 | 49041368 | 50 | 1400 | 7000 | 1430 | 7150 | 1430 | 7150 | M20 | 185 | inklusive | inklusive | 2,1 |
| 49041369 | 65 | 2400 | 12000 | 2470 | 12350 | 2470 | 12350 | ||||||
| 49041370 | 75 | 3800 | 19000 | 4050 | 20250 | 4050 | 20250 | ||||||
Metacone Medium Technische Zeichnungen
Kataloge