Produktbeschreibung
Die robuste Konstruktion des Cushymount ist so konzipiert, dass sie hohe Beanspruchungen aushalten kann, wobei ein integrierter Tampon die vertikale und horizontale Verschiebung des aufgehängten Geräts begrenzt, ohne dass externe Begrenzungsvorrichtungen erforderlich sind. Die in den beiden horizontalen Betriebsarten variablen Steifigkeitswerte optimieren das Aufhängungssystem zur Vermeidung von Resonanzen mit den Hauptachsen des Motors und gewährleisten gleichzeitig ein hohes Maß an Schwingungsisolierung während des Betriebs mit Drehzahlen, die unter 500 U/min liegen. Die Stützen sind vom Lloyd's Register of Shipping zugelassen und können unter besonderen Umständen mit einer Funktion zur Höhenverstellung ausgestattet werden.
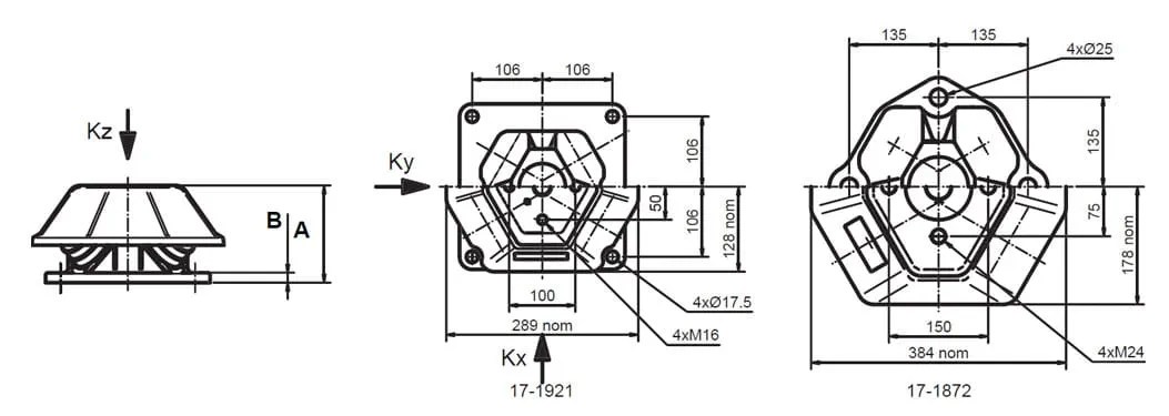
Hohe Ladekapazität Cushymount K
| Produkt Nummer |
A |
B |
Gewicht (kg) |
Nennwert Gummi Härte |
Maximale Belastung Kapazität |
Nominale Durchbiegung bei maximaler Belastung (mm) |
| 17-1872 | 195 | 20 | 50 | 45 | 35 | 14 |
| 55 | 55 | 14 | ||||
| 65 | 80 | 14 |
Kapazität der Ladung moyenne Cushymount K
| Produkt Nummer |
A |
B |
Gewicht (kg) |
Nennwert Gummi Härte |
Maximale Belastung Kapazität |
Nominale Durchbiegung bei maximaler Belastung (mm) |
| 17-1921 | 144 | 12 | 32 | 45 | 20 | 10 |
| 55 | 38 | 10 | ||||
| 65 | 50 | 10 |

