Produktbeschreibung
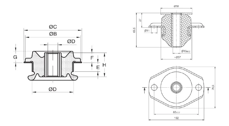
Das CAB-Lager wurde so konzipiert, dass es optimale Federungseigenschaften bietet. Dies wurde dadurch erreicht, dass die Druck- und Schersteifigkeitseigenschaften in ihren jeweiligen Richtungen relativ steif sind. Die CAB-Dämpfer können kleinen Stoßbelastungen standhalten, um die Fahrbedingungen für den Fahrer zu verbessern. Das Lager sollte mit Unterlegscheiben oben und unten montiert werden, um ein ausfallsicheres System zu gewährleisten.
| ZEICHNUNG NR. | ARTIKELNR. | HÄRTE (IRHD). | ABMESSUNGEN (mm) | AXIALE MAX. BELASTUNG (N) | SCHRAUBENGRÖSSE | MAX. BOLT TORQUE (Nm) |
AXIALE STEIFIGKEIT
(N/mm) |
WASCHMASCHINE TEILE-NR. | |||||||||
| ØD | ØB | ØC | Ød | E | F | G | H | K | L | ||||||||
| STANDARD-KABINENHALTERUNG | |||||||||||||||||
| 11-1028 | 20-00875 | 45 | 59 | - | 80 | 16 | - | 20 | - | 40 | 16 | 80 | 750 | M16 | 250 | 390 | 20-00532 |
| 20-01109 | 60 | 1500 | 780 | ||||||||||||||
| 20-01035 | 65 | 1800 | 950 | ||||||||||||||
| 11-1027 | 20-01107 | 45505565 | 59 | - | 80 | 20 | - | 20 | - | 40 | 16 | 80 | 750 | M20 | 380 | 390 | 20-00003 |
| 20-00002 | 950 | 495 | |||||||||||||||
| 20-01061 | 1200 | 626 | |||||||||||||||
| 20-00874 | 1800 | 950 | |||||||||||||||
| 17-1671-1 | 10-00563 | 45 | 75 | 100 | 105 | 16,5 | 17 | 19 | 22 | 46 | 20 | 105 | 1600 | M16 | 180 | 330 | 20-00533 |
| 17-1650-1 | 10-00554 | 45 | 75 | 100 | 105 | 16,5 | 17 | 19 | 22 | 46 | 20 | 105 | 3000 | M16 | 180 | 464 | 20-00533 |
| 10-00555 | 60 | 5000 | 1200 | ||||||||||||||
| 17-1650 | 75 | 100 | 105 | 22 | 17 | 19 | 22 | 46 | 20 | 105 | 3000 | M20 | 180 | 20-00533 | |||
| 10-00552 | 45 | 464 | |||||||||||||||
| 10-00944 | 60 | 5000 | 1200 | ||||||||||||||
| 17-1814 | 10-00598 | 45 | 89 | 115 | 120 | 25 | 23 | 13 | 21 | 47 | 25 | 120 | 4100 | M24 | 270 | 1797 | 20-00534 |
| 10-00603 | 60 | 7600 | 3314 | ||||||||||||||
| 10-04461 | 70 | 11200 | 4870 | ||||||||||||||
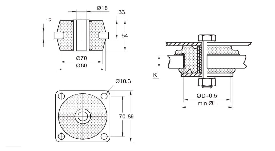
| 058 18 001 | 91928 | 50 | ZEICHNUNGEN SEHEN | 2100 | M12 | 35 | 300 | 93950 | |||||||||
| 90827 | 65 | 4300 | 620 | ||||||||||||||
| 92539 | 75 | 6300 | 900 | ||||||||||||||
| GESCHRAUBTE KABINENHALTERUNG | |||||||||||||||||
| 17-0890 | 10-00440 | 45 | ZEICHNUNGEN SEHEN | 3000 | M16 | 250 | 1027 | 20-00532 | |||||||||
| 10-00441 | 60 | 5000 | 1693 | ||||||||||||||
| 10-00442 | 70 | 7500 | 2000 | ||||||||||||||

Industrielles Produktportfolio
Laden Sie die gesamte Palette der industriellen Antivibrationsprodukte herunter.


