Produktbeschreibung
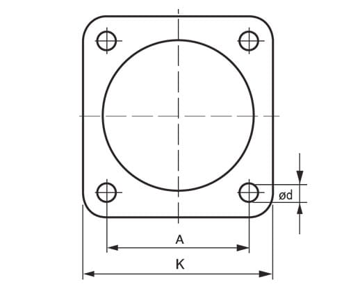
Der Puffertyp ANB besteht aus einem zylindrischen Gummikörper, der mit einer quadratischen Grundplatte aus Stahl verbunden ist. Jede Ecke der Grundplatte hat ein Befestigungsloch. Es wird eine spezielle Gummimischung mit hoher Hysterese verwendet, um eine möglichst hohe Energieabsorption zu gewährleisten. Das Volumen des Gummis wird optimal ausgenutzt. Bei Neuentwicklungen von Maschinen können einfachere Konstruktionen und geringere berechnete Kräfte in Betracht gezogen werden, was niedrigere Kosten ermöglicht.
Durch die Dämpfung des Gummis wird ein hohes Maß an Energieabsorption erreicht. Das Gummi ist unter dynamischen Bedingungen steifer als bei statischer oder pseudostatischer Belastung; daher wird bei einer bestimmten Verformung mehr Energie absorbiert. Der Stoßdämpfer Typ ANB wird eingesetzt, um die Bewegung von Geräten oder Maschinenteilen wirksam zu begrenzen.
Typische Anwendungen sind:
- Hebekräne
- Forstwirtschaftliche Fahrzeuge
- Ausrüstung für den Materialtransport
Diese Puffer sind aus öl- und chemikalienbeständigem Nitrilkautschuk hergestellt.
| REFERENZ | ZEICHNUNG NR. | ARTIKELNR. | ABMESSUNGEN (mm) | MAX. BELASTUNG (kN) | |||||||
| K | A | ØD | Ød | H | t | ||||||
| ANB50 | 15-4034 | 10-00151 | 70 | 50 | 50 | 7 | 43 | 3 | 8.15 | ||
| ANB75 | 15-4035 | 10-00152 | 100 | 75 | 75 | 9 | 63 | 3 | 20.4 | ||
| ANB100 | 15-4037 | 10-00153 | 130 | 100 | 100 | 11 | 84 | 4 | 41.8 | ||
| ANB150 | 15-4032 | 10-00010 | 185 | 150 | 150 | 13.5 | 126 | 6 | 91.75 | ||
| ANB200 | 15-4033 | 10-00011 | 240 | 200 | 200 | 13.5 | 168 | 8 | 183.5 | ||

Industrielles Produktportfolio
Laden Sie die gesamte Palette der industriellen Antivibrationsprodukte herunter.


