Produktdaten
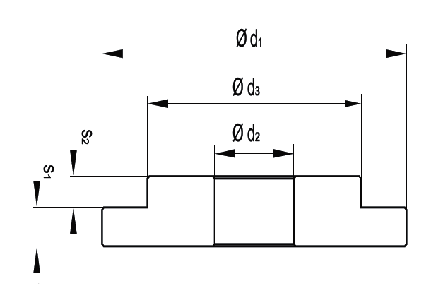
| ZEICHNUNG NR. | ARTIKELNR. | ABMESSUNGEN (mm) | SCHRAUBENGRÖSSE | MAX. TORQUE (Nm) | ||||||||
| Ød1 | Ød2 | S1 | S2 | Ød3 | ||||||||
| TYP A | ||||||||||||
| 039 18 753 | 49041777 | 40 | 9 | 2,5 | - | - | M8 5,6 | 11 | ||||
| 18-0379C | 20-00531 | 51 | 10 | 4 | - | - | M10 | 25 | ||||
| 039 18 755 | 49041776 | 50 | 11 | 2,5 | - | - | M10 5,6 | 23 | ||||
| 18-0472D | 20-00536 | 51 | 16 | 4 | - | - | M16 | 60 | ||||
| 20-0562B | 20-00416 | 52 | 12,5 | 3 | - | - | M12 | 40 | ||||
| 20-0562D | 20-00644 | 55 | 20,5 | 5 | - | - | M20 | 120 | ||||
| 20-0562K | 20-01103 | 57 | 12 | 3 | - | - | M12 | 40 | ||||
| 039 18 768 | 49041778 | 70 | 13 | 3 | - | - | M12 5,6 | 39 | ||||
| 040 18 922 | 49032678 | 75 | 16,2 | 4 | - | - | M16 5,6 | 90 | ||||
| 18-0391C | 20-00532 | 80 | 16 | 5 | - | - | M16 | 60 | ||||
| 18-1101C | 20-00533 | 100 | 20 | 6 | - | - | M20 | 120 | ||||
| 039 18 766 | 49041775 | 100 | 21 | 6,3 | - | - | M20 5,6 | 180 | ||||
| 18-1550C | 20-02818 | 139 | 24 | 10 | - | - | M24 | 200 | ||||
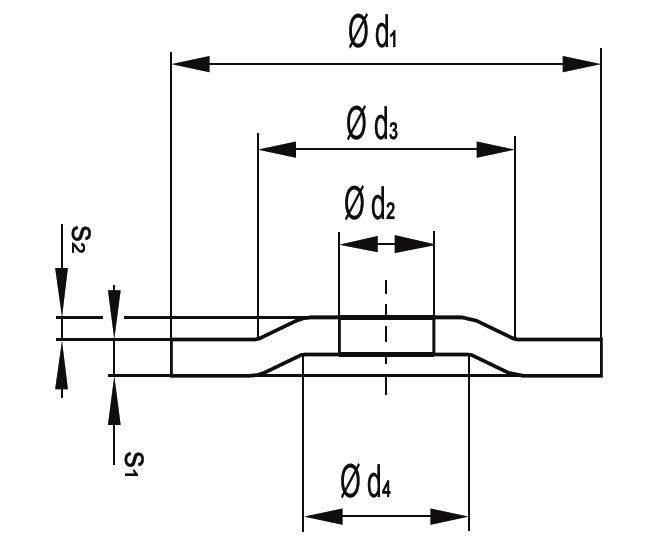
| ZEICHNUNG NR. | ARTIKELNR. | ABMESSUNGEN (mm) | SCHRAUBENGRÖSSE | MAX. DREHMOMENT (Nm) | ||||||||||
| Ød1 | Ød2 | S1 | S2 | Ød3 | ||||||||||
| TYP B | ||||||||||||||
| 040 18 038 | 97139 | 35 | 17 | 4 | 2 | 28 | M16 5,6 | 90 | ||||||
| 057 18 001 | 49056605 | 48 | 10,5 | 5 | 5 | 15 | M10 5,6 | 23 | ||||||
| 18-0241D | 20-00529 | 55 | 12,9 | 5 | 2,5 | 25 | M12 | 40 | ||||||
| 040 18 039 | 97138 | 55 | 12,7 | 5 | 3 | 24,5 | M12 5,6 | 39 | ||||||
| 18-0472C | 20-00535 | 55 | 16 | 5 | 2,7 | 25 | M16 5,6 | 90 | ||||||
| 201 98105AA | 54002459 | 75 | 16,2 | 5 | 5 | 32 | M16 5,6 | 90 | ||||||
| 040 18 036 | 97141 | 75 | 20,2 | 5 | 3 | 35 | M20 5,6 | 180 | ||||||
| 18-0311B | 20-00773 | 80 | 16 | 6 | 3 | 31,5 | M16 | 60 | ||||||
| 20-0562N | 20-00528 | 80 | 20 | 5 | 2 | 35 | M20 | 120 | ||||||
| 040 18 037 | 97140 | 104 | 17 | 5 | 3 | 46 | M16 5,6 | 90 | ||||||
| 17-5689E | 10-05112 | 110 | 20,5 | 5 | 3 | 52,5 | M20 | 120 | ||||||
| 040 18 035 | 97142 | 110 | 24,3 | 6 | 4 | 45,9 | M24 5,6 | 320 | ||||||
| 18-0146C | 20-00527 | 116 | 24 | 8 | 4 | 47,25 | M24 | 200 | ||||||
| TYP C | ||||||||||||||
| 15-0286 | 10-03666 | 47,63 | 12,75 | 3,17 | 3,18 | 28,58 | M12 | 40 | ||||||
| 15-3528 | 20-02894 | 67 | 20 | 5 | 5 | 35 | M20 | 120 | ||||||
| 15-3526 | 10-03862 | 95 | 24,5 | 8 | 6 | 47,25 | M24 | 200 | ||||||
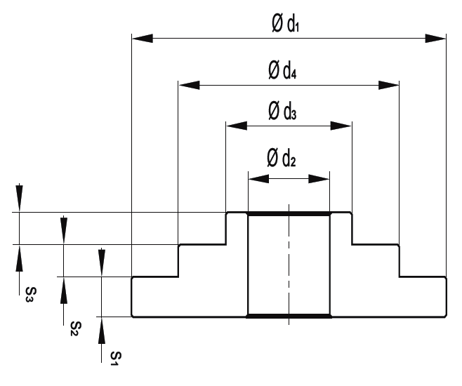
| ZEICHNUNG NR. | ARTIKELNR. | ABMESSUNGEN (mm) | SCHRAUBENGRÖSSE | MAX. DREHMOMENT (Nm) | ||||||||||
| ØD1 | ØD2 | ØD3 | ØD4 | S1 | S2 | S3 | ||||||||
| TYP D | ||||||||||||||
| 057 18 756 | 511927 | 80 | 16,5 | 31 | 43 | 5 | 11 | 5 | M16 5,6 | 90 | ||||
| 040 18 935 | 50032235 | 92 | 17 | 28 | 34 | 5 | 4 | 2 | M16 5,6 | 90 | ||||
| ZEICHNUNG NR. | ARTIKELNR. | ABMESSUNGEN (mm) | SCHRAUBENGRÖSSE | MAX. DREHMOMENT (Nm) | ||||||||||
| Ød1 | Ød2 | S1 | S2 | Ød3 | ||||||||||
| TYP E | ||||||||||||||
| 040 18 917 | 49026836 | 75 | 16,5 | 5 | 3 | 45 | M16 5,6 | 90 | ||||||
Industrielles Produktportfolio
Laden Sie die gesamte Palette der industriellen Antivibrationsprodukte herunter.