Produktbeschreibung
Diese tragende Feder mit begrenzter Bewegungsfähigkeit verfügt über zusätzliche Merkmale wie eine hohe Dämpfung, die eine verringerte Bewegung in der Nähe von Resonanzfrequenzen ermöglicht, und einen Isolator, der eine Schwingungsisolierung bei einer bestimmten Frequenz bietet.
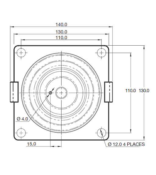
Fluid Mount 200Kg
| Art.-Nr. | Min. Belastung kg |
Maximale Belastung kg |
Thema Typ |
Max Bolzen Drehmoment Nm |
|
|---|---|---|---|---|---|
| 20-01498-01 | 100 | 200 | 45 mm langer M16-Bolzen | 260 | |
| 20-01499-01 | 100 | 200 | 90 mm langer M16-Bolzen | 260 | |
| 20-01500-01 | 100 | 200 | 30 mm tiefe M16-Bohrung | 260 | |
Fluid Mount 150Kg
| Art.-Nr. | Min. Belastung kg |
Maximale Belastung kg |
Thema Typ |
Max Bolzen Drehmoment Nm |
|
|---|---|---|---|---|---|
| 20-01105-01 | 50 | 150 | 45 mm langer M16-Bolzen | 260 | |
| 20-01496-01 | 50 | 150 | 90 mm langer M16-Bolzen |
260 | |
| 20-01497-01 | 50 | 150 | 30 mm tiefe M16-Bohrung | 260 | |
Fluid Mount 225Kg
| Art.-Nr. | Min. Belastung kg |
Maximale Belastung kg |
Thema Typ |
Max Bolzen Drehmoment Nm |
|
|---|---|---|---|---|---|
| 20-01104-01 | 150 | 225 | 45 mm langer M16-Bolzen | 260 | |
| 20-01501-01 | 150 | 225 | 90 mm langer M16-Bolzen | 260 | |
| 20-01502-01 ; | 150 | 225 ; | 30 mm tiefe M16-Bohrung | 260 | |

Download the Datasheet
Erfahren Sie mehr über die Fluid Mount Lösungen von Trelleborg.


