Produktbeschreibung
Die Walzenscherenaufhängung nimmt hohe Druckbelastungen bei geringer Schersteifigkeit auf. Sie eignen sich für die Aufhängung von Vibrationsbandagen an Walzenfahrzeugen und Vibrationssiebmaschinen.
Verdichterscheren profitieren von einer hohen Zugfestigkeit durch die Verbindung von hochwertigen Gummimischungen mit Stahlmontageplatten. Sie können paarweise in abgewinkelter Anordnung unter kombinierter Druck- und Scherbelastung eingesetzt werden, um die Leistung der Schwingungsisolierung zu optimieren.
Compactor Shear Mount Medium
| Typ | Teilnummer |
Abmessungen in mm |
Komprimierung | Scheren | Gewicht (kg) |
|||||||||
| A | B | K | L | H | d | t | Maximale Belastung (kg) |
Durchbiegung (mm) | Maximale Belastung (kg) |
Durchbiegung (mm) |
||||
| 2"-55 | 10-01798-01 | 100 | 85 | 120 | 110 | 60 | 11 | 5 | 670 | 9 | 70 ; | 7,5 | 1,1 | |
| 2"-60 |
10-01618-01 | 100 | 85 | 120 | 110 | 60 | 11 | 5 | 840 | 9 | 90 ; | 7,5 | 1,1 | |
| 2"-65 | 10-01619-01 | 100 | 85 | 120 | 110 | 60 | 11 | 5 | 1010 | 9 | 100 | 7,5 | 1,1 | |
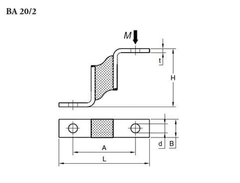
Compactor Shear Mount Small
| Typ | Teilnummer |
Abmessungen in mm |
Komprimierung | Scheren | Gewicht (kg) |
|||||||||
| A | B | K | L | H | d | t | Maximale Belastung (kg) |
Durchbiegung (mm) | Maximale Belastung (kg) |
Durchbiegung (mm) |
||||
| BR 3.00-45 | 20,01038-01 | 100 | 63 | M12 | 180 | 3,0 | 85 ; | 9,0 | 0,35 ; | |||||
| BR 3.00-55 |
20-01039-01 | 100 | 63 | M12 | 275 | 3,0 | 125 | 9,0 | 0,35 ; | |||||
| BR 3.00-60 | 20-01040-01 | 100 | 63 | M12 | 340 | 3,0 | 155 | 9,0 | 0,35 | |||||
Compactor Shear Mount Large
| Typ | Teilnummer |
Abmessungen in mm |
Komprimierung | Scheren | Gewicht (kg) |
|||||||||
| A | B | K | L | H | d | t | Maximale Belastung (kg) |
Durchbiegung (mm) | Maximale Belastung (kg) |
Durchbiegung (mm) |
||||
| 3"-55 | 10-00067-01 | 146 | 146 | 182 | 182 | 76 | 13 | 7,5 | 2000 | 11 | 220 ; | 13 | 3,4 | |
| 3"-60 |
10-00065-01 | 146 | 146 | 182 | 182 | 76 | 13 | 7,5 | 2500 | 11 | 280 ; | 13 | 3,4 | |
| 3"-65 |
10-00066-01 | 146 | 146 | 182 | 182 | 76 | 13 | 7,5 | 3000 | 11 | 340 ; | 13 | 3,4 | |

Down the Datasheet
Find out more about Trelleborg's Shear Mount solutions.


